CIT3PL1N30-STA (Best. Nr. 071552)
Inhalte wählen
Nur-Lesekopf CIT3 mit paralleler Schnittstelle, axial steckbar
- Parallele Schnittstelle
- Zylindrische Bauform M30
- M12-Steckverbinder
- Axial steckbar

Beschreibung
Montagehinweis
Bei der Montage von Lesekopf und Datenträger ist darauf zu achten, dass die Überfahrrichtung entsprechend der Pfeilrichtung auf der aktiven Fläche des Lesekopfs eingehalten wird.
Achtung:
Die Länge der Anschlussleitung darf bei Verwendung einer abgeschirmten Leitung max. 50 m betragen.


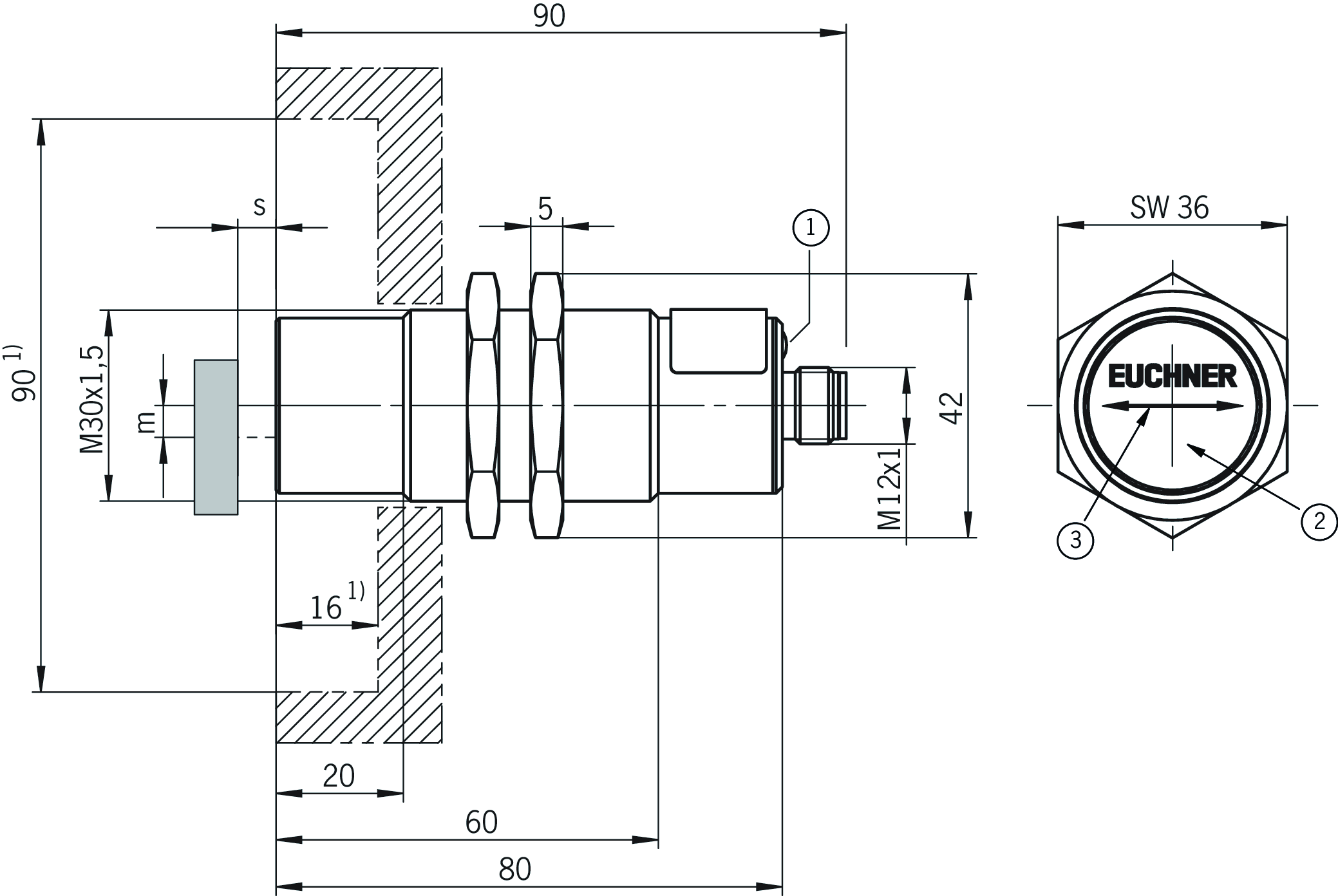
Maßzeichnungen

| 1 | LED |
| 1) | Freizone |
| 2 | Aktive Fläche |
| 3 | Überfahrrichtung |
| m | Mittenversatz |
| s | Leseabstand |
Anschlussbeispiele

Technische Daten
Bedien- und Anzeigeelemente
| LED-Anzeige | Gelb: Datenträger aktiv |
Elektrische Anschlusswerte
| Art des Ausgangs | Push-Pull |
| Ausgangsspannung | |
| 0 ... 2 V DC für LOW - Pegel | |
| UB - 3 ... UB V DC für HIGH - Pegel | |
| Betriebsspannung DC | 20 ... 24 ... 28 V DC (Alle elektrischen Anschlüsse müssen entweder durch Sicherheitstransformatoren nach IEC/ EN 61558-2-6 mit Begrenzung der Ausgangsspannung im Fehlerfall oder durch gleichwertige Isolationsmaßnahmen vom Netz isoliert werden.) |
| Eingangsspannung | |
| max. 2 V DC SKIP Eingang LOW - Pegel | |
| min. 15 V DC SKIP Eingang HIGH - Pegel | |
| Schaltstrom | |
| je Ausgang | -30 ... +30 mA |
| Stromaufnahme | |
| ohne Last | 65 ... 100 mA |
| Widerstand | 4.5 kΩ Eingangswiderstand |
Mechanische Werte und Umgebung
| Anschlussart | M12-Stecker, 8-polig, axial steckbar (Der Schirm der Anschlussleitung ist über die Rändelmutter des M12-Steckverbinders mit dem Gehäuse des Lesekopfs verbunden.) |
| Lagertemperatur | -25 ... 70 °C |
| Montageart | nichtbündig |
| Schutzart | IP67 |
| Umgebungstemperatur | 0 ... 50 °C |
| Werkstoff | |
| Gehäuse | CuZn, vernickelt |
Interface
| Datenschnittstelle | 4-Bit parallel, binär über HIGH/LOW-Pegel codiert |
In Kombination mit Betätiger CIS3P16D08KH16YSNOU, CIS3P16D08KH16YSNOP
| Leseabstand | |
| bei 21 °C | 0 ... 5 ... 14 mm |
| Mittenversatz | |
| bei 25 °C | 18 mm (Mittenversatz mL in x-Richtung (bei sL = 5 mm)) |
| bei 25 °C | 6 mm (Mittenversatz mL in y-Richtung (bei sL = 5 mm)) |
In Kombination mit Betätiger CIS3P35X16SH16YHNOU, CIS3P35X16SH16YHNOP, CIS3P35X16SH16YVNOU, CIS3P35X16SH16YVNOP
| Leseabstand | |
| bei 21 °C | 0 ... 7 ... 18 mm |
| Mittenversatz | |
| bei 21 °C | 23 mm (Mittenversatz mL in x-Richtung (bei sL = 7 mm)) |
| bei 21 °C | 8 mm (Mittenversatz mL in y-Richtung (bei sL = 7 mm)) |
Zubehör
Anschlussmaterial
Downloads
Gesamtpaket
Alle wichtigen Dokumente mit einem Klick downloaden.
Enthält:
- Die Betriebsanleitung und ggf. Ergänzungen zur Betriebsanleitung oder Kurzanleitungen
- Ggf. Datenblätter als Ergänzung zur Betriebsanleitung
- Die Konformitätserklärung
Gesamtpaket herunterladen (ZIP, 1,8 MB)
Einzeldokumente
Datenblätter
Datenblatt
Dok.-Nr.
Version
Sprache
Größe
Datenblatt
Data sheet
Fiche technique
Ficha de datos
Ficha de dados
数据表
データ シート
데이터 시트
Datový list
Data sheet
Fiche technique
Ficha de datos
Ficha de dados
数据表
データ シート
데이터 시트
Datový list
Dok.-Nr.
2127519
Version
01
Sprache
Größe
0,6 MB
Datenblatt
Data sheet
Fiche technique
Ficha de datos
Ficha de dados
数据表
データ シート
데이터 시트
Datový list
Data sheet
Fiche technique
Ficha de datos
Ficha de dados
数据表
データ シート
데이터 시트
Datový list
Dok.-Nr.
2127519
Version
01
Sprache
Größe
0,2 MB
Konformitätserklärungen
EU-Konformitätserklärung
Dok.-Nr.
Version
Sprache
Größe
EU-Konformitätserklärung
Dok.-Nr.
EDC2077155
Version
Sprache
Größe
0,2 MB
UKCA-Konformitätserklärung
Dok.-Nr.
Version
Sprache
Größe
UKCA-Konformitätserklärung
Dok.-Nr.
EDC20001517
Version
Sprache
Größe
0,1 MB
Sonstige Dokumente
Zulassungen und Bescheinigungen
WEEE
Dok.-Nr.
Version
Sprache
Größe
WEEE
Dok.-Nr.
ECO20001806
Version
Sprache
Größe
0,1 MB
CAD/eCAD
Bestelldaten
| Bestellnummer | 071552 |
| Artikelbezeichnung | CIT3PL1N30-STA |
| Bruttogewicht | 0,22kg |
| Zolltarifnummer | 85389099990 |
| ECLASS | 27-28-04-01 Identifikation, RFID Reader |




