HomeProdukteElektromechanische Sicherheitsschalter ohne ZuhaltungN1A / NB01 Einzelgrenztaster, NZ Positionsschalter und EGZ EinbaugrenztasterNZ2HS-2131L024GEC2300
NZ2HS-2131L024GEC2300 (Best. Nr. 122405)
Inhalte wählen
Sicherheitsschalter NZ.HS, Schwenkhebel mit Stahlrolle ø 18 mm, Steckverbinder M12
- Schwenkhebel, Stahlrolle ø 18 mm
- Ausführung C nach EN 50041
- Steckverbinder M12, 8-polig
- 2 Zwangsöffner
- 1 Schließer
- LED-Anzeige: AC/DC 24 V gelb

Beschreibung
Schaltrichtung umstellbar
Rechts-, links- oder beidseitig
LED Anzeige
Der Schalter verfügt über eine frei belegbare LED Anzeige.
Schaltelement
2131H | Schleichschaltglied 2 Zwangsöffner |





Funktionszeichnungen

![]() | Kontakte geschlossen |
![]() | Kontakte offen |
![]() | Kontakte zwangsgeöffnet |
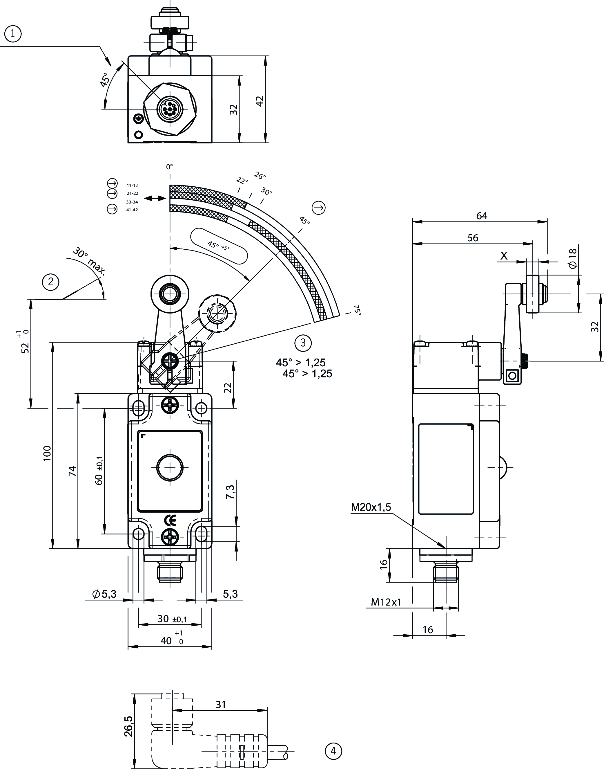
Maßzeichnungen

| 1 | Führungsnase ausgerichtet |
| 2 | Nocken |
| 3 | Kontaktöffnung |
| 4 | Winkel-Steckverbinder: Standardeinstellung für Leitungsabgang rechts |
Anschlussbeispiele

| 1 | WH |
| 2 | BN |
| 3 | GN |
| 4 | YE |
| 5 | GY |
| 6 | PK |
| 7 | BU |
| 8 | RD |
| A | ohne Schutzleiter |
Anschlussbeispiele

Technische Daten
Zulassungen




Elektrische Anschlusswerte
| Absicherung | max. 1 A gG |
| Anzeigemodul | 24 V 10% ... 10% |
| Bemessungsisolationsspannung Ui | 30 V |
| Bemessungsstoßspannung Uimp | 1.5 kV |
| Gebrauchskategorie | |
| DC-13 | 1A 24V |
| AC-15 | 1A 30V |
| Schaltstrom | |
| min. bei DC 24V | 1 mA |
| thermischer Bemessungsstrom Ith | 1 A |
Mechanische Werte und Umgebung
| Anfahrgeschwindigkeit | 0.1 ... 60 m/min |
| Anschlussart | |
| 1 x | Steckverbinder M12 (8 polig ohne PE) |
| Anzahl Schließer | 1 |
| Anzahl Zwangsöffner Türstellung | 3 |
| Betätigungselement | |
| Gleitlager Metall | Schwenkhebel (d Rolle = 18 mm Länge = 32 mm) |
| Betätigungskraft | min. 15 N |
| Einbaulage | beliebig |
| Lagertemperatur | -25 ... 80 °C |
| Mechanische Lebensdauer | 30 x 10⁶ |
| Schaltprinzip | Schleichschaltglied |
| Schutzart | IP67 |
| Umgebungstemperatur | -25 ... 80 °C |
| Werkstoff | |
| Gehäuse | Leichtmetall Druckguss anodisch oxidiert |
| Kontakt | Silberlegierung, hauchvergoldet |
Kennwerte nach EN ISO 13849-1 / EN IEC 62061
| B10D | Gebrauchsdauer | |
|---|---|---|
| Sichere Positionserkennung | 2x107 | 20 y |
| Wichtig! Werte gültig bei DC-13 100 mA/24V | ||
Verschiedenes
| C-Nummer | |
| C2300 | mit 4fach Element + gelber LED, M12x1, 8poliger Stecker, Platine mit LED im Deckel eingeklebt |
| Zusätzliches Merkmal | Gehäuse ohne Schutzleiter! Alle elektrischen Anschlüsse müssen entweder durch Sicherheitstransformatoren nach EN IEC 61558-2-6 mit Begrenzung der Ausgangsspannung im Fehlerfall oder durch gleichwertige Isolationsmaßnahmen vom Netz isoliert werden. |
Zubehör
Downloads
Gesamtpaket
Alle wichtigen Dokumente mit einem Klick downloaden.
Enthält:
- Die Betriebsanleitung und ggf. Ergänzungen zur Betriebsanleitung oder Kurzanleitungen
- Ggf. Datenblätter als Ergänzung zur Betriebsanleitung
- Die Konformitätserklärung
Gesamtpaket herunterladen (ZIP, 5,9 MB)
Einzeldokumente
Anleitungen
Betriebsanleitung Sicherheitsschalter NZ.H/P
Dok.-Nr.
Version
Sprache
Größe
Betriebsanleitung Sicherheitsschalter NZ.H/P
Dok.-Nr.
2074550
Version
08/25
Sprache
Größe
0,8 MB
Operating Instructions Safety Switch NZ.H/P
Dok.-Nr.
2074550
Version
08/25
Sprache
Größe
0,8 MB
Mode d’emploi Interrupteur de sécurité NZ.H/P
Dok.-Nr.
2074550
Version
08/25
Sprache
Größe
0,8 MB
Manual de instrucciones Interruptor de seguridad NZ.H/P
Dok.-Nr.
2074550
Version
08/25
Sprache
Größe
0,8 MB
Istruzioni di impiego Finecorsa di sicurezza NZ.H/P
Dok.-Nr.
2074550
Version
08/25
Sprache
Größe
0,8 MB
Instrukcja obsługi Wyłącznik bezpieczeństwa NZ.H/P
Dok.-Nr.
2074550
Version
08/25
Sprache
Größe
1,3 MB
Návod na prevádzku Bezpečnostný spínač NZ.H/P
Dok.-Nr.
2074550
Version
08/25
Sprache
Größe
1,3 MB
İşletim kılavuzu Emniyet şalteri NZ.H/P
Dok.-Nr.
2074550
Version
08/25
Sprache
Größe
1,2 MB
Konformitätserklärungen
EU-Konformitätserklärung
Dok.-Nr.
Version
Sprache
Größe
EU-Konformitätserklärung
Dok.-Nr.
EDC2539628
Version
Sprache
Größe
0,2 MB
UKCA-Konformitätserklärung
Dok.-Nr.
Version
Sprache
Größe
UKCA-Konformitätserklärung
Dok.-Nr.
EDC20001551
Version
Sprache
Größe
0,1 MB
Sonstige Dokumente
Verkaufsunterlagen
Sicherheitsschalter mit Metallgehäuse
Dok.-Nr.
Version
Sprache
Größe
Sicherheitsschalter mit Metallgehäuse
Dok.-Nr.
100319
Version
11-03/18
Sprache
Größe
7,9 MB
Safety Switches with Metal Housing
Dok.-Nr.
100369
Version
11-03/18
Sprache
Größe
7,8 MB
Interrupteurs de sécurité avec boîtier métallique
Dok.-Nr.
100676
Version
11-03/18
Sprache
Größe
7,9 MB
Interruptores de seguridad con carcasa metálica
Dok.-Nr.
104856
Version
11-03/18
Sprache
Größe
14,0 MB
金属壳体 的安全开关
Dok.-Nr.
102453
Version
11-03/18
Sprache
Größe
8,2 MB
Bezpečnostní spínače s kovovým pouzdrem
Dok.-Nr.
121650
Version
11-03/18
Sprache
Größe
7,8 MB
Zulassungen und Bescheinigungen
CCC
Dok.-Nr.
Version
Sprache
Größe
CCC
Dok.-Nr.
20001849
Version
Sprache
Größe
0,0 MB
DGUV
Dok.-Nr.
Version
Sprache
Größe
DGUV
Dok.-Nr.
Version
Sprache
Größe
3,4 MB
DNV-GL
Dok.-Nr.
Version
Sprache
Größe
DNV-GL
Dok.-Nr.
Version
Sprache
Größe
0,2 MB
WEEE
Dok.-Nr.
Version
Sprache
Größe
WEEE
Dok.-Nr.
ECO20001806
Version
Sprache
Größe
0,1 MB
c UL us
Dok.-Nr.
Version
Sprache
Größe
c UL us
Dok.-Nr.
Version
Sprache
Größe
0,3 MB
EPLAN Makros
EUC.122405
Dok.-Nr.
Version
Sprache
Größe
EUC.122405
Dok.-Nr.
Version
Sprache
Größe
0,1 MB
Bestelldaten
| Bestellnummer | 122405 |
| Artikelbezeichnung | NZ2HS-2131L024GEC2300 |
| Bruttogewicht | 0,395kg |
| Zolltarifnummer | 85365019000 |
| ECLASS | 27-27-26-01 Sicherheits-Positionsschalter (Bauart 1) |
+ 1 Schließer




