HomeProdukteElektromechanische Sicherheitsschalter ohne ZuhaltungN1A / NB01 Einzelgrenztaster, NZ Positionsschalter und EGZ EinbaugrenztasterNZ1WO-528-M
NZ1WO-528-M (Best. Nr. 089624)
Inhalte wählen
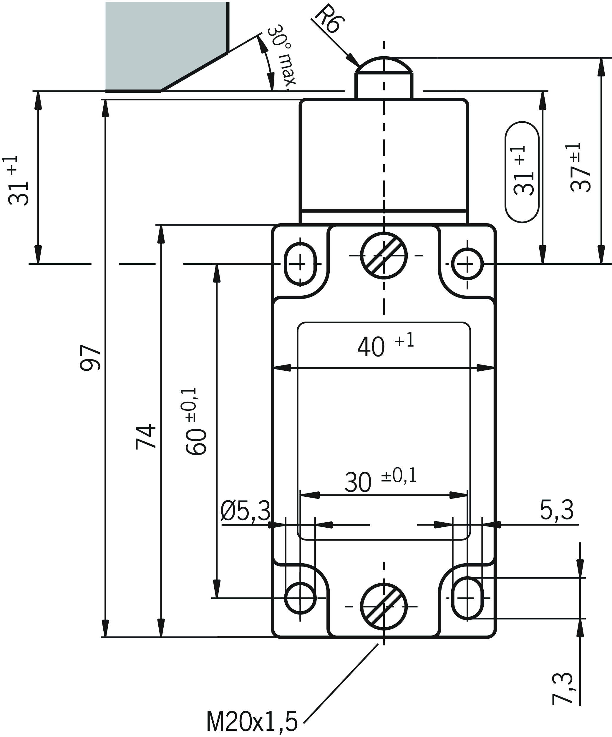
Sicherheitsschalter NZ.WO, Kuppenstößel, Leitungseinführung M20 x 1,5
- Kuppenstößel
- Ausführung B nach EN 50041(gehärtet)
- Leitungseinführung M20 x 1,5
- 1 Zwangsöffner
- 1 Schließer

Beschreibung
Schaltelement
528H | Schleichschaltglied 1 Zwangsöffner |
Maßzeichnungen

Anschlussbeispiele

Schaltwegdiagramme

![]() | Kontakte geschlossen |
![]() | Kontakte offen |
![]() | Kontakte zwangsgeöffnet |
Technische Daten
Zulassungen




Elektrische Anschlusswerte
| Absicherung | max. 4 A gG |
| Anschlussquerschnitt | 0.34 ... 1.5 mm² |
| Bemessungsisolationsspannung Ui | 250 V |
| Bemessungsstoßspannung Uimp | 2.5 kV |
| Gebrauchskategorie | |
| AC-15 | 4A 230V |
| DC-13 | 4A 24V |
| Schaltstrom | |
| min. bei DC 24V | 1 mA |
| thermischer Bemessungsstrom Ith | 4 A |
Mechanische Werte und Umgebung
| Anfahrgeschwindigkeit | 0.1 ... 10 m/min |
| Anschlussart | |
| 1 x | M20 x 1,5 |
| Anzahl Schließer | 1 |
| Anzahl Zwangsöffner Türstellung | 1 |
| Betätigungselement | Kuppenstößel |
| Betätigungskraft | 15 ... 30 N |
| Einbaulage | beliebig |
| Lagertemperatur | -25 ... 80 °C |
| Mechanische Lebensdauer | 30 x 10⁶ |
| Schaltprinzip | Schleichschaltglied |
| Schutzart | IP67 |
| Umgebungstemperatur | -25 ... 80 °C |
| Werkstoff | |
| Gehäuse | Leichtmetall Druckguss anodisch oxidiert |
| Kontakt | Silberlegierung, hauchvergoldet |
Kennwerte nach EN ISO 13849-1 / EN IEC 62061
| B10D | Gebrauchsdauer | |
|---|---|---|
| Sichere Positionserkennung | 2x107 | 20 y |
| Wichtig! Werte gültig bei DC-13 100 mA/24V | ||
Zubehör
Downloads
Gesamtpaket
Alle wichtigen Dokumente mit einem Klick downloaden.
Enthält:
- Die Betriebsanleitung und ggf. Ergänzungen zur Betriebsanleitung oder Kurzanleitungen
- Ggf. Datenblätter als Ergänzung zur Betriebsanleitung
- Die Konformitätserklärung
Gesamtpaket herunterladen (ZIP, 3,6 MB)
Einzeldokumente
Anleitungen
Betriebsanleitung Sicherheitsschalter NZ.D.../NZ.W.../NZ.R...
Dok.-Nr.
Version
Sprache
Größe
Betriebsanleitung Sicherheitsschalter NZ.D.../NZ.W.../NZ.R...
Dok.-Nr.
2074549
Version
08/25
Sprache
Größe
0,7 MB
Operating Instructions Safety Switch NZ.D.../NZ.W.../NZ.R...
Dok.-Nr.
2074549
Version
08/25
Sprache
Größe
0,6 MB
Mode d’emploi Interrupteur de sécurité NZ.D.../NZ.W.../NZ.R...
Dok.-Nr.
2074549
Version
08/25
Sprache
Größe
0,7 MB
Manual de instrucciones Interruptor de seguridad NZ.D.../NZ.W.../NZ.R...
Dok.-Nr.
2074549
Version
08/25
Sprache
Größe
0,7 MB
Istruzioni di impiego Finecorsa di sicurezza NZ.D.../NZ.W.../NZ.R...
Dok.-Nr.
2074549
Version
08/25
Sprache
Größe
0,6 MB
Instrukcja obsługi Wyłącznik bezpieczeństwa NZ.D.../NZ.W.../NZ.R...
Dok.-Nr.
2074549
Version
08/25
Sprache
Größe
1,1 MB
Návod na prevádzku Bezpečnostný spínač NZ.D.../NZ.W.../NZ.R...
Dok.-Nr.
2074549
Version
08/25
Sprache
Größe
1,1 MB
Konformitätserklärungen
EU-Konformitätserklärung
Dok.-Nr.
Version
Sprache
Größe
EU-Konformitätserklärung
Dok.-Nr.
EDC2539628
Version
Sprache
Größe
0,2 MB
UKCA-Konformitätserklärung
Dok.-Nr.
Version
Sprache
Größe
UKCA-Konformitätserklärung
Dok.-Nr.
EDC20001551
Version
Sprache
Größe
0,1 MB
Sonstige Dokumente
Verkaufsunterlagen
Sicherheitsschalter mit Metallgehäuse
Dok.-Nr.
Version
Sprache
Größe
Sicherheitsschalter mit Metallgehäuse
Dok.-Nr.
100319
Version
11-03/18
Sprache
Größe
7,9 MB
Safety Switches with Metal Housing
Dok.-Nr.
100369
Version
11-03/18
Sprache
Größe
7,8 MB
Interrupteurs de sécurité avec boîtier métallique
Dok.-Nr.
100676
Version
11-03/18
Sprache
Größe
7,9 MB
Interruptores de seguridad con carcasa metálica
Dok.-Nr.
104856
Version
11-03/18
Sprache
Größe
14,0 MB
金属壳体 的安全开关
Dok.-Nr.
102453
Version
11-03/18
Sprache
Größe
8,2 MB
Bezpečnostní spínače s kovovým pouzdrem
Dok.-Nr.
121650
Version
11-03/18
Sprache
Größe
7,8 MB
Zulassungen und Bescheinigungen
CCC
Dok.-Nr.
Version
Sprache
Größe
CCC
Dok.-Nr.
20001849
Version
Sprache
Größe
0,0 MB
DGUV
Dok.-Nr.
Version
Sprache
Größe
DGUV
Dok.-Nr.
Version
Sprache
Größe
3,4 MB
DNV-GL
Dok.-Nr.
Version
Sprache
Größe
DNV-GL
Dok.-Nr.
Version
Sprache
Größe
0,2 MB
WEEE
Dok.-Nr.
Version
Sprache
Größe
WEEE
Dok.-Nr.
ECO20001806
Version
Sprache
Größe
0,1 MB
c UL us
Dok.-Nr.
Version
Sprache
Größe
c UL us
Dok.-Nr.
Version
Sprache
Größe
0,3 MB
EPLAN Makros
EUC.089624
Dok.-Nr.
Version
Sprache
Größe
EUC.089624
Dok.-Nr.
Version
Sprache
Größe
0,2 MB
CAD/eCAD
Bestelldaten
| Bestellnummer | 089624 |
| Artikelbezeichnung | NZ1WO-528-M |
| Bruttogewicht | 0,306kg |
| Zolltarifnummer | 85365019000 |
| ECLASS | 27-27-26-01 Sicherheits-Positionsschalter (Bauart 1) |
+ 1 Schließer








