MSM-1-P-CA-PP0-K8-171153 (Best. Nr. 171153)
Inhalte wählen
Submodul MSM-1-P... (2 Drucktaster beleuchtet mit Symbol, oben, mittig)
- Funktionserweiterung für Module MGB2 und MCM
- Anschlusstyp: P
- 2 Drucktaster beleuchtet mit Symbol, oben, mittig
- inkl. Farbblenden-Set

Beschreibung



Maßzeichnungen

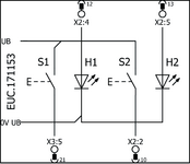
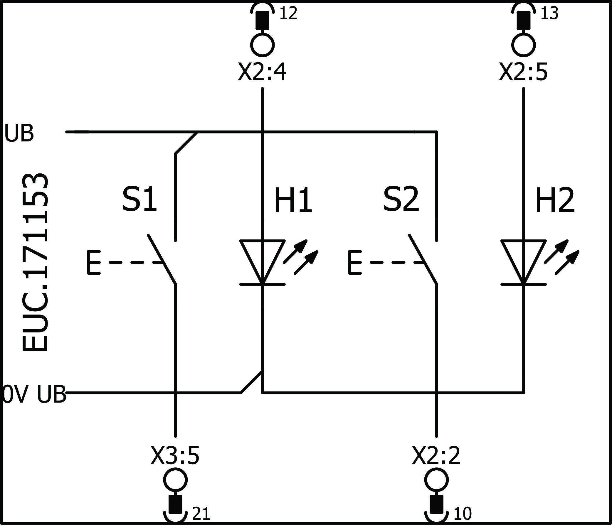
| Pos 1 | beleuchteter Drucktaster, weiß |
| Pos 2 | beleuchteter Drucktaster, gelb |
| Z | markiert Ausrichtung von Pos 1 |
Maßzeichnungen

Anschlussbeispiele

Technische Daten
Bedien- und Anzeigeelemente
| Position | Farbe | Extras | Einlegeschild | Schaltelement | Einlegeschild Anmerkung | Ausführung | Anzahl | Bezeichnung1 | LED |
|---|---|---|---|---|---|---|---|---|---|
| 1 | weiss | bedruckt | 1S | Taster beleuchtet | |||||
| 2 | gelb | bedruckt | 1S | Taster beleuchtet |
Elektrische Anschlusswerte
| Stromaufnahme | max. 20 mA |
| Bedien- und Anzeigeelemente | |
| Schaltleistung | max. 0.25 W |
| Schaltspannung | 24 V |
| Schaltstrom | 5 ... 10 mA |
| Spannungsversorgung LED | 24 V DC |
Mechanische Werte und Umgebung
| Einbaulage | beliebig |
| Lagertemperatur | -25 ... 70 °C |
| Schock- und Schwingfestigkeit | gemäß EN IEC 60947-5-3 |
| Schutzart | IP65 (IP20) (im eingebauten Zustand) |
| Umgebungstemperatur | |
| bei UB = 24 V DC | -25 ... 55 °C |
| Werkstoff | Glasfaserverstärkter Kunststoff |
Verschiedenes
| Submodulbreite | 1 |
| Software ID (SW-ID) | 9000002 |
Zubehör
Downloads
Gesamtpaket
Alle wichtigen Dokumente mit einem Klick downloaden.
Enthält:
- Die Betriebsanleitung und ggf. Ergänzungen zur Betriebsanleitung oder Kurzanleitungen
- Ggf. Datenblätter als Ergänzung zur Betriebsanleitung
- Die Konformitätserklärung
Gesamtpaket herunterladen (ZIP, 2,9 MB)
Einzeldokumente
Konformitätserklärungen
EU-Konformitätserklärung
Dok.-Nr.
Version
Sprache
Größe
EU-Konformitätserklärung
Dok.-Nr.
EDC2518509
Version
Sprache
Größe
2,8 MB
UKCA-Konformitätserklärung
Dok.-Nr.
Version
Sprache
Größe
UKCA-Konformitätserklärung
Dok.-Nr.
EDC20001508
Version
Sprache
Größe
0,2 MB
Sonstige Dokumente
Zulassungen und Bescheinigungen
WEEE
Dok.-Nr.
Version
Sprache
Größe
WEEE
Dok.-Nr.
ECO20001806
Version
Sprache
Größe
0,1 MB
Bestelldaten
| Bestellnummer | 171153 |
| Artikelbezeichnung | MSM-1-P-CA-PP0-K8-171153 |
| Bruttogewicht | 0,095kg |
| Zolltarifnummer | 85371098 |
| ECLASS | 27-24-26-05 Feldbus, Dez. Peripherie - Funktions-/Technologie-Modul |








