A-C40-158436 (Best. Nr. 158436)
Inhalte wählen
Betätiger A-C40-158436
- Zuhaltekraft 600 N
- Betätiger in Längsrichtung justierbar
- Zwei Sicherheitsschrauben M5x16 im Lieferumfang enthalten

Beschreibung
Betätiger
Die Ankerplatte des CEM Betätigers ist federnd gelagert und lässt sich zu einem Winkel +/-4° auslenken.
Dementsprechend passt sich der CEM Betätiger beim Schließen einer dejustierten Schutztür selbständig der Fläche des Elektromagneten an. Eine nachträgliche Justage der Schutztür ist nicht mehr erforderlich. Selbst bei einem Mittenversatz von 5 mm (Ankerplatte zu Elektromagnet ) wird die volle Zuhaltekraft erreicht.

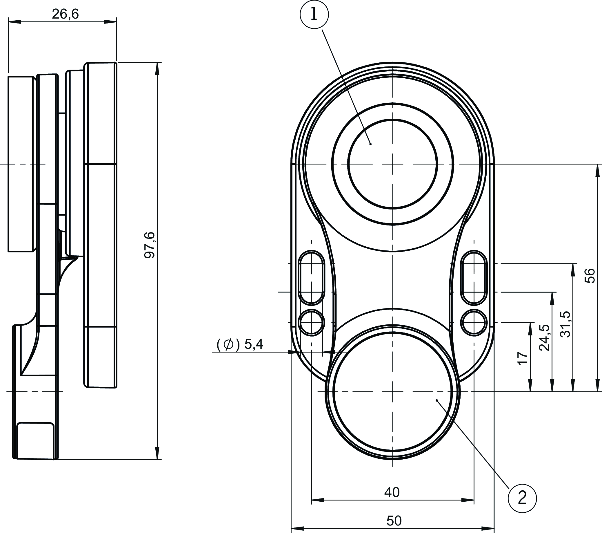
Maßzeichnungen

| 1 | aktive Fläche Magnetplatte |
| 2 | aktive Fläche Transponder |
Technische Daten
Zulassungen

Mechanische Werte und Umgebung
| Lagertemperatur | -25 ... 70 °C |
| Schutzart | IP65/IP67 |
| Umgebungstemperatur | -25 ... 55 °C |
| Werkstoff | |
| Eingebauter Betätiger | Kunststoff (PBT) |
| Ankerplatte | Stahl, vernickelt |
| Gehäuse | Aluminium Druckguss |
| Winkelversatz | -4 ... +4 ° |
| Wirkungsweise | induktiv |
Zubehör
Downloads
Gesamtpaket
Alle wichtigen Dokumente mit einem Klick downloaden.
Enthält:
- Die Betriebsanleitung und ggf. Ergänzungen zur Betriebsanleitung oder Kurzanleitungen
- Ggf. Datenblätter als Ergänzung zur Betriebsanleitung
- Die Konformitätserklärung
Gesamtpaket herunterladen (ZIP, 0,3 MB)
Einzeldokumente
Konformitätserklärungen
EU-Konformitätserklärung
Dok.-Nr.
Version
Sprache
Größe
EU-Konformitätserklärung
Dok.-Nr.
EDC2539422
Version
Sprache
Größe
0,2 MB
UKCA-Konformitätserklärung
Dok.-Nr.
Version
Sprache
Größe
UKCA-Konformitätserklärung
Dok.-Nr.
EDC20001462
Version
Sprache
Größe
0,1 MB
Sonstige Dokumente
Verkaufsunterlagen
Zulassungen und Bescheinigungen
WEEE
Dok.-Nr.
Version
Sprache
Größe
WEEE
Dok.-Nr.
ECO20001806
Version
Sprache
Größe
0,1 MB
c UL us
Dok.-Nr.
Version
Sprache
Größe
c UL us
Dok.-Nr.
Version
Sprache
Größe
0,3 MB
EPLAN Makros
EUC.158436
Dok.-Nr.
Version
Sprache
Größe
EUC.158436
Dok.-Nr.
Version
Sprache
Größe
0,2 MB
Bestelldaten
| Bestellnummer | 158436 |
| Artikelbezeichnung | A-C40-158436 |
| Bruttogewicht | 0,218kg |
| Zolltarifnummer | 85389099990 |
| ECLASS | 27-27-24-04 Betätiger für sicherheitsgerichteten Näherungsschalter |


