ZSM2100-111594 (Best. Nr. 111594)
ZSM, LED, Tasten + und -, Steckverbinder RC12
- 3-stufige Funktion
- LED-Anzeige
- Vibrationssignal
- Tasten + und –
- Spiralisierte Anschlussleitung, 5 m
- Steckverbinder

Beschreibung
3-stufige Funktion
Zustimmfunktion nur in der zweiten Stufe (Mittelposition, Druckpunkt) aktiv. Beim Loslassen oder Durchdrücken (Panikfunktion) der Taste wird die Zustimmung aufgehoben (abhängig von der Verdrahtung, siehe Funktionsablauf).
LED-Anzeige
Die LED-Anzeige dient zur optischen Rückmeldung direkt am Zustimmtaster.
Vibrationssignal
Das Vibrationssignal dient zur taktilen Rückmeldung der Zustimmstellung.
Tasten + und –
Diese Tasten können individuell belegt werden. Beispielsweise zum Verfahren von Achsen in Plus- oder Minus-Richtung.
Leitung
Die hochwertigen Anschlussleitungen sind in spiralisierter Ausführung erhältlich.





Maßzeichnungen

Maßzeichnungen

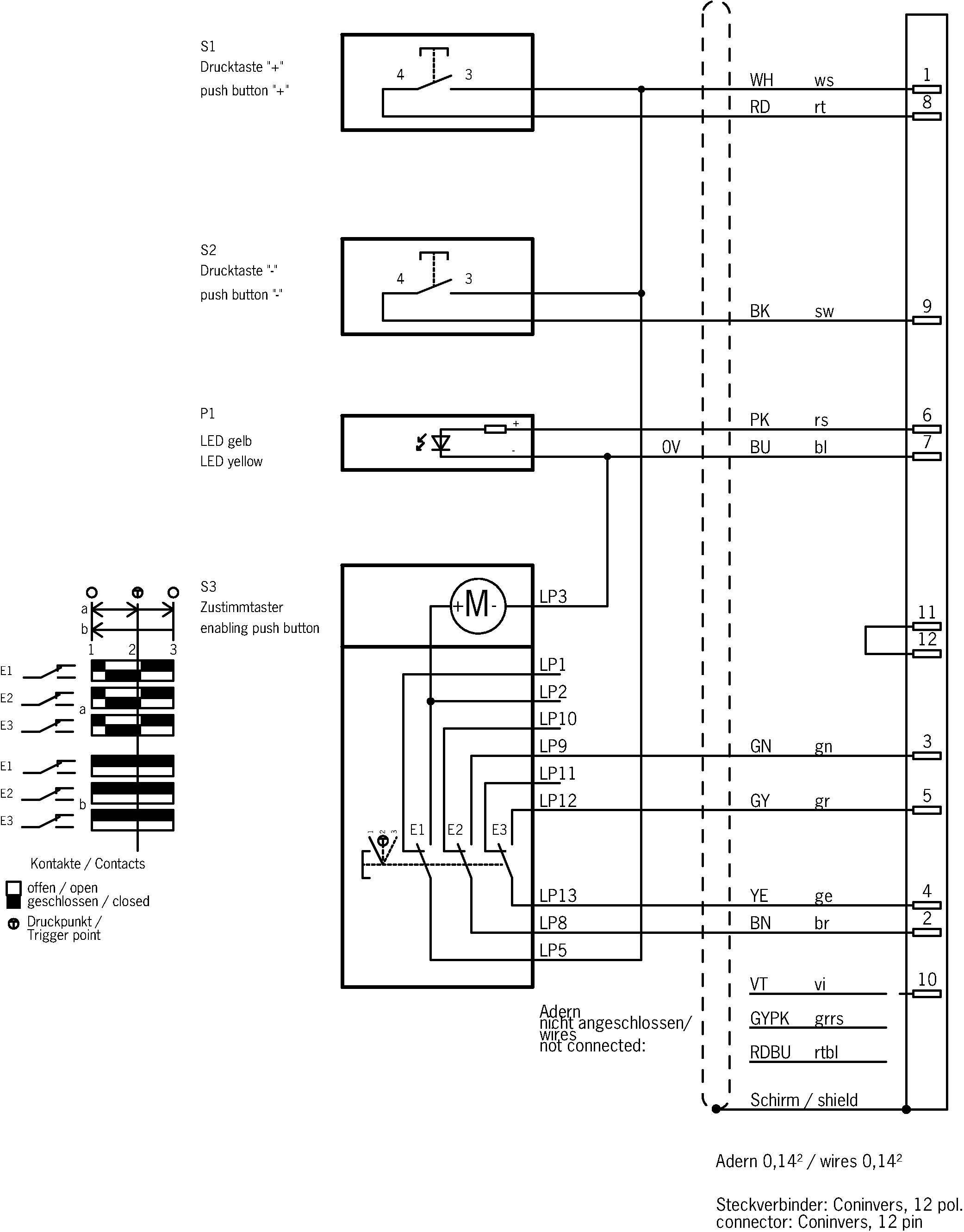
Anschlussbeispiele

Anschlussbeispiele

Anschlussbeispiele

Technische Daten
Zulassungen


Bedien- und Anzeigeelemente
| Position | Farbe | Extras | Einlegeschild Anmerkung | Ausführung | Schaltelement | Einlegeschild | Anzahl | Bezeichnung1 | LED |
|---|---|---|---|---|---|---|---|---|---|
| Drucktaste - | 1 | ||||||||
| Vibrationsmotor | 1 | ||||||||
| Drucktaste + | 1 | ||||||||
| gelb | LED | 1 |
Elektrische Anschlusswerte
| Absicherung | max. 2 A gG |
| Anschlussleitung | 12x0,14mm² (geschirmt) |
| bedingter Bemessungskurzschlussstrom | 100 A |
| Bemessungsisolationsspannung Ui | 50 V |
| Bemessungsstoßspannung Uimp | 0.5 kV |
| Gebrauchskategorie | |
| DC-13 | 30V 0,1A (Für Zustimmtaste, Vorsicht: Ausgänge müssen bei induktiven Lasten mit einer Freilaufdiode geschützt werden) |
| DC-13 | 24V 0,3A (Für zusätzliche Bedienelemente) |
| DC-13 | 24V 0,01A (Für zusätzliche Anzeigeelemente) |
| Schaltverhalten | 3 stufiger Zustimmtaster |
| Verschmutzungsgrad (extern, nach EN 60947-1) | 3 |
Mechanische Werte und Umgebung
| Anschlussart | Steckverbinder Polzahl 12 |
| Anzahl Wechsler | 3 (Verschaltung nach Blockschaltbild) |
| Lagertemperatur | -25 ... 70 °C |
| Leitungslänge | |
| spiralisiert | 5 m |
| Mechanische Lebensdauer | 1 x 10⁶ |
| Schaltprinzip | Sprungschalter |
| Schutzart | IP54 |
| Umgebungstemperatur | -5 ... 60 °C |
| Werkstoff | PA, CR, TPE (PAK arm) |
Kennwerte nach EN ISO 13849-1 / EN IEC 62061
| B10D | Gebrauchsdauer | |
|---|---|---|
| Zustimmtaster | 0.1x106 | 20 y |
Verschiedenes
| erfüllte Normen | 60947-5-8 |
Zubehör
Downloads
Gesamtpaket
Alle wichtigen Dokumente mit einem Klick downloaden.
Enthält:
- Die Betriebsanleitung und ggf. Ergänzungen zur Betriebsanleitung oder Kurzanleitungen
- Ggf. Datenblätter als Ergänzung zur Betriebsanleitung
- Die Konformitätserklärung
Einzeldokumente
Data sheet
Fiche technique
Ficha de datos
Ficha de dados
数据表
データ シート
데이터 시트
Datový list
Data sheet
Fiche technique
Ficha de datos
Ficha de dados
数据表
データ シート
데이터 시트
Datový list
Sonstige Dokumente
Bestelldaten
| Bestellnummer | 111594 |
| Artikelbezeichnung | ZSM2100-111594 |
| Bruttogewicht | 0,93kg |
| Zolltarifnummer | 85371098 |
| ECLASS | 27-37-12-38 Zustimmschalter |



