MGB-A-MOUNTINGPLATE-E-109492 (Best. Nr. 109492)
Inhalte wählen
Montageplatte für Fluchtentriegelung
- Einfache und schnelle Montage (nur zwei Schrauben erforderlich)
- Schneller Modultausch
- Stahl, pulverbeschichtet
- Für rechts und links angeschlagene Türen geeignet

Beschreibung
Montageplatte für Fluchtentriegelung
Geeignet für alle MGB-Fluchtentriegelungen. Für die Befestigung der Montageplatten reichen 2 Schrauben.
Wichtig:Länge der Fluchtentriegelungsachse beachten! Möglicherweise benötigen Sie die längere Achse
Lieferung enthält Befestigungsmaterial für Fluchtentriegung auf Montageplatte

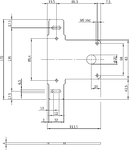
Maßzeichnungen

Technische Daten
Mechanische Werte und Umgebung
| Lagertemperatur | -25 ... 70 °C |
| Werkstoff | Stahl, pulverbeschichtet |
Verschiedenes
| Farbe | schwarz |
| Kompatibilität | Für Geräte MGB-E |
| Zusätzliches Merkmal | inkl. Befestigungsmaterial für MGB-E auf Montageplatte |
Downloads
Gesamtpaket
Alle wichtigen Dokumente mit einem Klick downloaden.
Enthält:
- Die Betriebsanleitung und ggf. Ergänzungen zur Betriebsanleitung oder Kurzanleitungen
- Ggf. Datenblätter als Ergänzung zur Betriebsanleitung
- Die Konformitätserklärung
Gesamtpaket herunterladen (ZIP, 0,1 MB)
Einzeldokumente
Sonstige Dokumente
CAD/eCAD
Bestelldaten
| Bestellnummer | 109492 |
| Artikelbezeichnung | MGB-A-MOUNTINGPLATE-E-109492 |
| Bruttogewicht | 0,359kg |
| Global Trade Item Number (GTIN) | 4047048006720 |
| Zolltarifnummer | 85389099990 |

