HALTER KPL. (Best. Nr. 052406)
Inhalte wählen
Schraubhalterung für mobile Zustimmtaster
Beschreibung

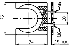
Maßzeichnungen

Technische Daten
Mechanische Werte und Umgebung
| Lagertemperatur | -25 ... 70 °C |
| Montageart | schrauben |
| Werkstoff | |
| Gehäuse | Aluminium schwarz beschichtet |
Downloads
Verkaufsunterlagen
Commandes d’Assentiment ZS
Dok.-Nr.
Version
Sprache
Größe
Commandes d’Assentiment ZS
Dok.-Nr.
097367
Version
09-02/21
Sprache
Größe
10,2 MB
Enabling switches ZS
Dok.-Nr.
Version
Sprache
Größe
Enabling switches ZS
Dok.-Nr.
095690
Version
09-02/21
Sprache
Größe
10,1 MB
Zustimmtaster ZS
Dok.-Nr.
Version
Sprache
Größe
Zustimmtaster ZS
Dok.-Nr.
095689
Version
09-02/21
Sprache
Größe
10,2 MB
EPLAN Makros
EUC.052406
Dok.-Nr.
Version
Sprache
Größe
EUC.052406
Dok.-Nr.
Version
Sprache
Größe
0,0 MB
CAD/eCAD
Bestelldaten
| Bestellnummer | 052406 |
| Artikelbezeichnung | HALTER KPL. |
| Bruttogewicht | 0,232kg |
| Global Trade Item Number (GTIN) | 4047048000452 |
| Zolltarifnummer | 85389099990 |

