Úvodní stránkaVýrobkyMultifunkční brána MGB2 Modular a ClassicSubmoduly MSMMSM-1-P-CA-Q0P2P0-M1-171767
MSM-1-P-CA-Q0P2P0-M1-171767 (Obj. č. 171767)
Zvolte obsah
Submodul MSM-1-P... (1× hřibové tlačítko, 1× šedé prosvětlené tlačítko se symbolem)
- Rozšíření funkcí pro moduly MGB2 a MCM
- Typ připojení: P
- 1× hřibové tlačítko
- 1× šedé prosvětlené tlačítko se symbolem
- 1× vybrání pro vkládací štítek
- Vč. vkládacího štítku

Popis



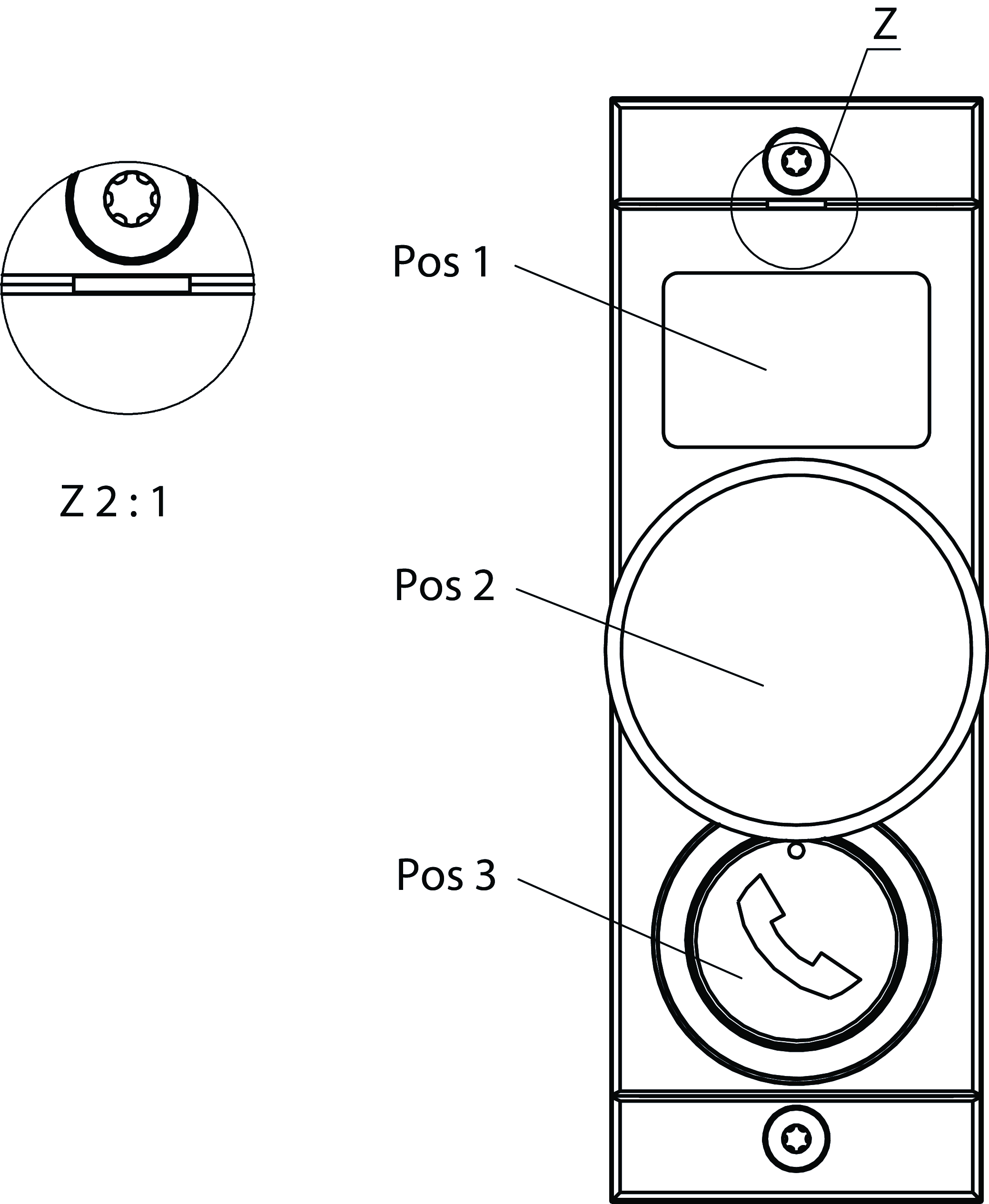
Rozměrové výkresy

| Pos 1 | Vkládací štítek |
| Pos 2 | Hřibové tlačítko |
| Pos 3 | Prosvětlené tlačítko, šedé |
| Z | Označuje zarovnání pol. 1 |
Rozměrové výkresy

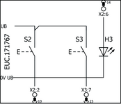
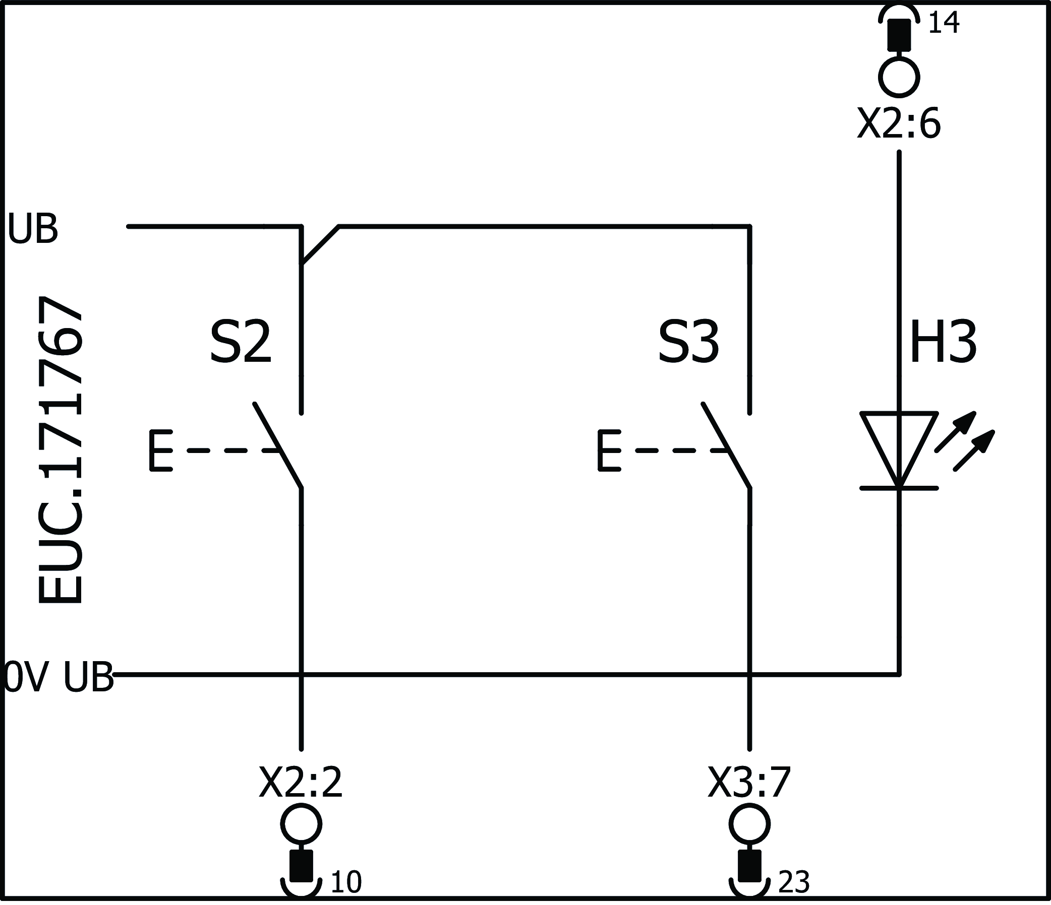
Příklady připojení

Technické údaje
Ovládací a zobrazovací prvky
| Poloha | Barva | Doplňky | Vkládací štítek | Vkládací štítek | Spínací jednotka | Provedení | Počet | Označení1 | LED |
|---|---|---|---|---|---|---|---|---|---|
| 1 | 17,5 × 27 mm | Pozice pro vkládací štítek | |||||||
| 2 | Zelená | 1× spínací kontakt | Hřibové tlačítko | ||||||
| 3 | Šedá | S potiskem | 1× spínací kontakt | Prosvětlené tlačítko |
Hodnoty elektrického připojení
| Odběr proudu | max. 12 mA |
| Ovládací a indikační prvky | |
| Spínaný výkon | max. 0.25 W |
| Spínací napětí | 24 V |
| Spínací proud | 5 ... 10 mA |
| Napájení LED | 24 V DC |
Mechanické hodnoty a prostředí
| Montážní poloha | Libovolná |
| Teplota při skladování | -25 ... 70 °C |
| Odolnost proti nárazům a vibracím | Podle normy EN IEC 60947-5-3 |
| Třída ochrany | IP65 (IP20) (Ve vestavěném stavu) |
| Okolní teplota | |
| Při UB = 24 V DC | -25 ... 55 °C |
| Materiál | Plast zesílený skelnými vlákny |
Různé
| Submodulbreite | 1 | Vkládací štítek | |||||
| |||||||
| ID softwaru (SW-ID) | 9000051 | ||||||
Příslušenství
Ke stažení
Celé balení
Stáhněte si všechny důležité dokumenty jedním kliknutím.
Obsahuje:
- Návod k použití a příp. dodatky k návodu k použití nebo stručné návody
- Příp. datové listy jako dodatek k návodu k použití
- Prohlášení o shodě
Stáhnout kompletní balíček (ZIP, 0,5 MB)
Jednotlivé dokumenty
Prohlášení o shodě
EU-Konformitätserklärung
Č. dok.
Verze
Jazyk
Velikost
EU-Konformitätserklärung
Č. dok.
EDC2518509
Verze
Jazyk
Velikost
0,2 MB
UKCA-Konformitätserklärung
Č. dok.
Verze
Jazyk
Velikost
UKCA-Konformitätserklärung
Č. dok.
EDC20001508
Verze
Jazyk
Velikost
0,2 MB
Ostatní dokumenty
Schválení a certifikáty
WEEE
Č. dok.
Verze
Jazyk
Velikost
WEEE
Č. dok.
ECO20001806
Verze
Jazyk
Velikost
0,1 MB
Makra ePlan
EUC.171767
Č. dok.
Verze
Jazyk
Velikost
EUC.171767
Č. dok.
Verze
Jazyk
Velikost
0,1 MB
Objednací údaje
| Obj. č. | 171767 |
| Název výrobku | MSM-1-P-CA-Q0P2P0-M1-171767 |
| Hmotnost brutto | 0,1kg |
| Číslo celního tarifu | 85371098 |
| ECLASS | 27-24-26-05 Field bus, decentralized peripheral - function-/technology module |








