MSM-1-P-CA-PP0-F8-164633 (Obj. č. 164633)
Zvolte obsah
Submodul MSM-1-P... (2× prosvětlené tlačítko, uprostřed, nahoře/dole)
- Rozšíření funkcí pro moduly MGB2 a MCM
- Typ připojení: P
- 2× prosvětlené tlačítko, uprostřed, nahoře/dole

Popis



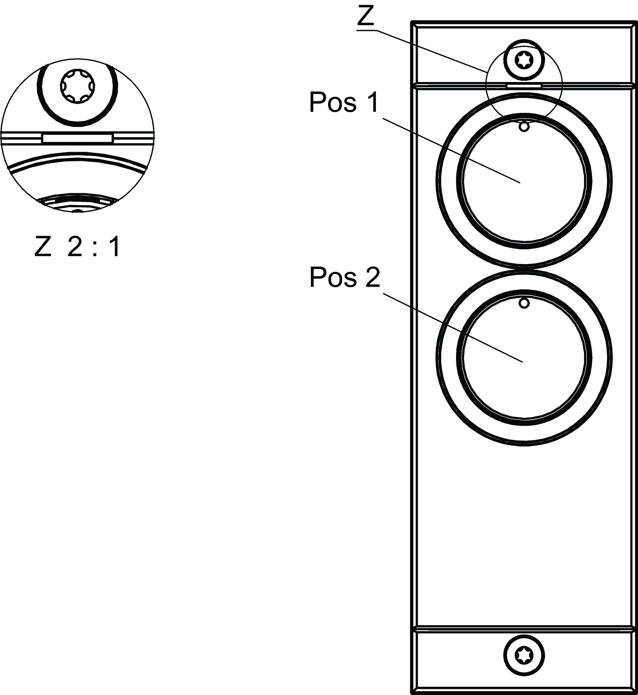
Rozměrové výkresy

| Pos 1 | Prosvětlené tlačítko |
| Pos 2 | Prosvětlené tlačítko |
| Z | Označuje zarovnání pol. 1 |
Rozměrové výkresy

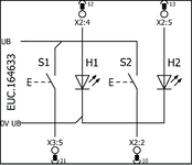
Příklady připojení

Technické údaje
Ovládací a zobrazovací prvky
| Poloha | Barva | Doplňky | Provedení | Spínací jednotka | Vkládací štítek | Vkládací štítek | Počet | Označení1 | LED |
|---|---|---|---|---|---|---|---|---|---|
| 1 | Bílá | Prosvětlené tlačítko | 1× spínací kontakt | ||||||
| 2 | Žlutá | Prosvětlené tlačítko | 1× spínací kontakt |
Hodnoty elektrického připojení
| Odběr proudu | max. 20 mA |
| Ovládací a indikační prvky | |
| Spínaný výkon | max. 0.25 W |
| Spínací napětí | 24 V |
| Spínací proud | 5 ... 10 mA |
| Napájení LED | 24 V DC |
Mechanické hodnoty a prostředí
| Montážní poloha | Libovolná |
| Teplota při skladování | -25 ... 70 °C |
| Odolnost proti nárazům a vibracím | Podle normy EN IEC 60947-5-3 |
| Třída ochrany | IP65 (IP20) (Ve vestavěném stavu) |
| Okolní teplota | |
| Při UB = 24 V DC | -25 ... 55 °C |
| Materiál | Plast zesílený skelnými vlákny |
Různé
| Submodulbreite | 1 |
| ID softwaru (SW-ID) | 9000002 |
Příslušenství
Ke stažení
Celé balení
Stáhněte si všechny důležité dokumenty jedním kliknutím.
Obsahuje:
- Návod k použití a příp. dodatky k návodu k použití nebo stručné návody
- Příp. datové listy jako dodatek k návodu k použití
- Prohlášení o shodě
Stáhnout kompletní balíček (ZIP, 0,5 MB)
Jednotlivé dokumenty
Prohlášení o shodě
EU-Konformitätserklärung
Č. dok.
Verze
Jazyk
Velikost
EU-Konformitätserklärung
Č. dok.
EDC2518509
Verze
Jazyk
Velikost
0,2 MB
UKCA-Konformitätserklärung
Č. dok.
Verze
Jazyk
Velikost
UKCA-Konformitätserklärung
Č. dok.
EDC20001508
Verze
Jazyk
Velikost
0,2 MB
Ostatní dokumenty
Schválení a certifikáty
WEEE
Č. dok.
Verze
Jazyk
Velikost
WEEE
Č. dok.
ECO20001806
Verze
Jazyk
Velikost
0,1 MB
Makra ePlan
EUC.164633
Č. dok.
Verze
Jazyk
Velikost
EUC.164633
Č. dok.
Verze
Jazyk
Velikost
0,1 MB
CAD/eCAD
Objednací údaje
| Obj. č. | 164633 |
| Název výrobku | MSM-1-P-CA-PP0-F8-164633 |
| Hmotnost brutto | 0,097kg |
| Číslo celního tarifu | 85371098 |
| ECLASS | 27-24-26-05 Field bus, decentralized peripheral - function-/technology module |












