MSM-1-P-CA-JPP-C2-137750 (Obj. č. 137750)
Zvolte obsah
Submodul MSM-1-P... (1× otočný spínač s klíčem, provedení L, 2× prosvětlené tlačítko)
- Rozšíření funkcí pro moduly MGB2 a MCM
- Typ připojení: P
- 1× otočný spínač s klíčem, 1× 90°, provedení L
- 2× prosvětlené tlačítko
- Vč. sady barevných clonek

Popis



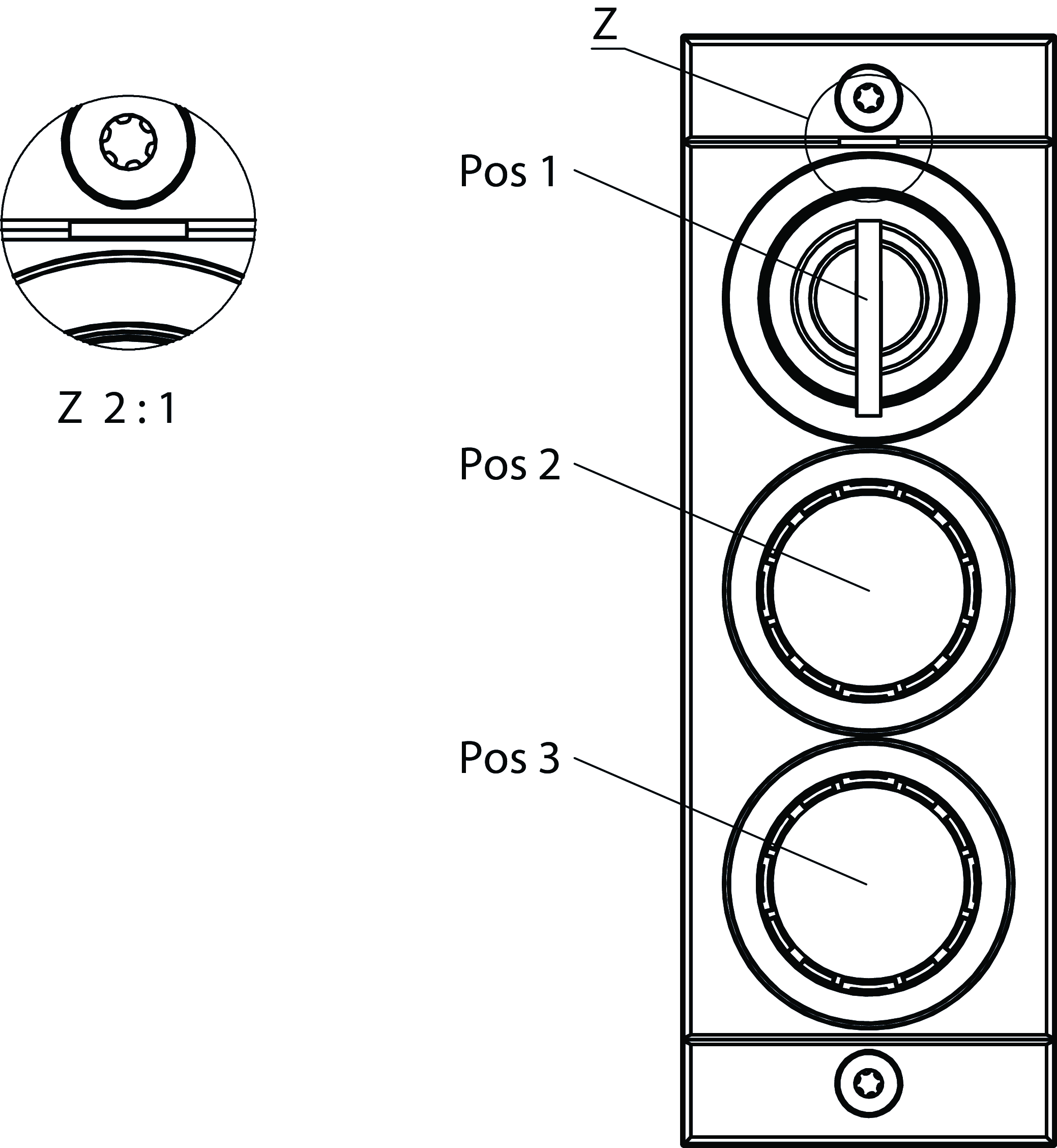
Rozměrové výkresy

| Pos 1 | Otočný spínač s klíčem 1× 90°, provedení L |
| Pos 2 | Prosvětlené tlačítko |
| Pos 3 | Prosvětlené tlačítko |
| Z | Označuje zarovnání pol. 1 |
Rozměrové výkresy

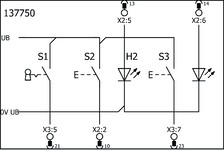
Příklady připojení

Technické údaje
Ovládací a zobrazovací prvky
| Poloha | Barva | Doplňky | Vkládací štítek | Vkládací štítek | Provedení | Spínací jednotka | Počet | Označení1 | LED |
|---|---|---|---|---|---|---|---|---|---|
| 1 | Otočný spínač s klíčem | 1× spínací kontakt | |||||||
| 2 | Prosvětlené tlačítko | 1× spínací kontakt | |||||||
| 3 | Prosvětlené tlačítko | 1× spínací kontakt |
Hodnoty elektrického připojení
| Odběr proudu | max. 22 mA |
| Ovládací a indikační prvky | |
| Spínaný výkon | max. 0.25 W |
| Spínací napětí | 24 V |
| Spínací proud | 5 ... 10 mA |
| Napájení LED | 24 V DC |
Mechanické hodnoty a prostředí
| Montážní poloha | Libovolná |
| Teplota při skladování | -25 ... 70 °C |
| Odolnost proti nárazům a vibracím | Podle normy EN IEC 60947-5-3 |
| Třída ochrany | IP65 (IP20) (Ve vestavěném stavu) |
| Okolní teplota | |
| Při UB = 24 V DC | -25 ... 55 °C |
| Materiál | Plast zesílený skelnými vlákny, zinkový tlakový odlitek, niklovaný |
Různé
| Submodulbreite | 1 |
| ID softwaru (SW-ID) | 137750 |
| Další funkce | |
| Vč. sady clonek, id. č. 120344 | |
| Vč. klíče, id. č. 121809 |
Příslušenství
Ke stažení
Celé balení
Stáhněte si všechny důležité dokumenty jedním kliknutím.
Obsahuje:
- Návod k použití a příp. dodatky k návodu k použití nebo stručné návody
- Příp. datové listy jako dodatek k návodu k použití
- Prohlášení o shodě
Stáhnout kompletní balíček (ZIP, 0,5 MB)
Jednotlivé dokumenty
Prohlášení o shodě
EU-Konformitätserklärung
Č. dok.
Verze
Jazyk
Velikost
EU-Konformitätserklärung
Č. dok.
EDC2518509
Verze
Jazyk
Velikost
0,2 MB
UKCA-Konformitätserklärung
Č. dok.
Verze
Jazyk
Velikost
UKCA-Konformitätserklärung
Č. dok.
EDC20001508
Verze
Jazyk
Velikost
0,2 MB
Ostatní dokumenty
Schválení a certifikáty
WEEE
Č. dok.
Verze
Jazyk
Velikost
WEEE
Č. dok.
ECO20001806
Verze
Jazyk
Velikost
0,1 MB
Makra ePlan
EUC.137750
Č. dok.
Verze
Jazyk
Velikost
EUC.137750
Č. dok.
Verze
Jazyk
Velikost
0,1 MB
Objednací údaje
| Obj. č. | 137750 |
| Název výrobku | MSM-1-P-CA-JPP-C2-137750 |
| Hmotnost brutto | 0,185kg |
| Číslo celního tarifu | 85371098 |
| ECLASS | 27-24-26-05 Field bus, decentralized peripheral - function-/technology module |














