MSM-1-P-CA-BPP-E2-162930 (Obj. č. 162930)
Zvolte obsah
Submodul MSM-1-P... (prosvětlené tlačítko nouzového zastavení, 2× modré prosvětlené tlačítko se symbolem)
- Rozšíření funkcí pro moduly MGB2 a MCM
- Typ připojení: P
- 1× prosvětlené tlačítko nouzového zastavení podle ISO 13850
- 2× modré prosvětlené tlačítko se symbolem

Popis



Rozměrové výkresy

Rozměrové výkresy

| Pos 1 | Tlačítko nouzového zastavení podle normy ISO 13850, prosvětlené |
| Pos 2 | Prosvětlené tlačítko, modré |
| Pos 3 | Prosvětlené tlačítko, modré |
| Z | Označuje zarovnání pol. 1 |
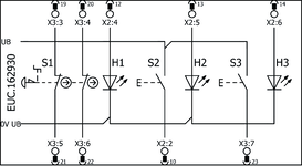
Příklady připojení

Technické údaje
Ovládací a zobrazovací prvky
| Poloha | Barva | Doplňky | Spínací jednotka | Vkládací štítek | Vkládací štítek | Provedení | Počet | Označení1 | LED |
|---|---|---|---|---|---|---|---|---|---|
| 1 | 2× nuceně rozpínaný kontakt | Prosvětlené tlačítko nouzového zastavení | |||||||
| 2 | Modrá | S potiskem | 1× spínací kontakt | Prosvětlené tlačítko | |||||
| 3 | modrá průsvitná | S potiskem | 1× spínací kontakt | Prosvětlené tlačítko |
Hodnoty elektrického připojení
| Odběr proudu | max. 32 mA |
| Ovládací a indikační prvky | |
| Spínaný výkon | max. 0.25 W |
| Spínací napětí | 24 V |
| Spínací proud | 5 ... 10 mA |
| Napájení LED | 24 V DC |
| Prosvětlené tlačítko nouzového zastavení | |
| Spínaný výkon | max. 0.25 W |
| Spínací napětí | 5 ... 24 V |
| Spínací proud | 1 ... 100 mA |
| Napájení LED | 24 V DC |
Mechanické hodnoty a prostředí
| Montážní poloha | Libovolná |
| Teplota při skladování | -25 ... 70 °C |
| Doba odezvy | Viz návod k použití sběrnicového modulu MBM-..., resp. blokovacího modulu / vyhodnocovacího modulu s jištěním ochranného krytu MGB2-I.-BR-... / MGB2-L.-BR-... |
| Odolnost proti nárazům a vibracím | Podle normy EN IEC 60947-5-3 |
| Třída ochrany | IP65 (IP20) (Ve vestavěném stavu) |
| Okolní teplota | |
| Při UB = 24 V DC | -25 ... 55 °C |
| Materiál | Plast zesílený skelnými vlákny |
Charakteristické hodnoty podle EN ISO 13849-1 a EN IEC 62061
| B10D | Doba provozu | |
|---|---|---|
| Nouzové zastavení | 0.13x106 | 20 y |
Různé
| Submodulbreite | 1 |
| ID softwaru (SW-ID) | 9000001 |
Příslušenství
Ke stažení
Celé balení
Stáhněte si všechny důležité dokumenty jedním kliknutím.
Obsahuje:
- Návod k použití a příp. dodatky k návodu k použití nebo stručné návody
- Příp. datové listy jako dodatek k návodu k použití
- Prohlášení o shodě
Stáhnout kompletní balíček (ZIP, 0,5 MB)
Jednotlivé dokumenty
Prohlášení o shodě
EU-Konformitätserklärung
Č. dok.
Verze
Jazyk
Velikost
EU-Konformitätserklärung
Č. dok.
EDC2518509
Verze
Jazyk
Velikost
0,2 MB
UKCA-Konformitätserklärung
Č. dok.
Verze
Jazyk
Velikost
UKCA-Konformitätserklärung
Č. dok.
EDC20001508
Verze
Jazyk
Velikost
0,2 MB
Ostatní dokumenty
Schválení a certifikáty
WEEE
Č. dok.
Verze
Jazyk
Velikost
WEEE
Č. dok.
ECO20001806
Verze
Jazyk
Velikost
0,1 MB
CAD/eCAD
Objednací údaje
| Obj. č. | 162930 |
| Název výrobku | MSM-1-P-CA-BPP-E2-162930 |
| Hmotnost brutto | 0,115kg |
| Číslo celního tarifu | 85371098 |
| ECLASS | 27-24-26-05 Field bus, decentralized peripheral - function-/technology module |












