MSM-1-P-CA-BPP-D5-161589 (Obj. č. 161589)
Zvolte obsah
Submodul MSM-1-P... (prosvětlené tlačítko nouzového zastavení, 2× bílé prosvětlené tlačítko se symbolem)
- Rozšíření funkcí pro moduly MGB2 a MCM
- Typ připojení: P
- 1× prosvětlené tlačítko nouzového zastavení podle ISO 13850
- 2× bílé prosvětlené tlačítko se symbolem

Popis



Rozměrové výkresy

| Pos 1 | Nouzové zastavení podle normy ISO 13850 |
| Pos 2 | Bílé prosvětlené tlačítko se symbolem |
| Pos 3 | Bílé prosvětlené tlačítko se symbolem |
| Z | Označuje zarovnání pol. 1 |
Rozměrové výkresy

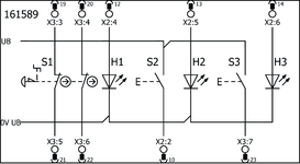
Příklady připojení

Technické údaje
Ovládací a zobrazovací prvky
| Poloha | Barva | Doplňky | Provedení | Vkládací štítek | Spínací jednotka | Vkládací štítek | Počet | Označení1 | LED |
|---|---|---|---|---|---|---|---|---|---|
| 1 | Prosvětlené tlačítko nouzového zastavení | 2× nuceně rozpínaný kontakt | |||||||
| 2 | Bílá | S potiskem | Prosvětlené tlačítko | 1× spínací kontakt | |||||
| 3 | Bílá | S potiskem | Prosvětlené tlačítko | 1× spínací kontakt |
Hodnoty elektrického připojení
| Odběr proudu | max. 32 mA |
| Ovládací a indikační prvky | |
| Spínaný výkon | max. 0.25 W |
| Spínací napětí | 24 V |
| Spínací proud | 5 ... 10 mA |
| Napájení LED | 24 V DC |
| Prosvětlené tlačítko nouzového zastavení | |
| Spínaný výkon | max. 0.25 W |
| Spínací napětí | 5 ... 24 V |
| Spínací proud | 1 ... 100 mA |
| Napájení LED | 24 V DC |
Mechanické hodnoty a prostředí
| Montážní poloha | Libovolná |
| Teplota při skladování | -25 ... 70 °C |
| Doba odezvy | Viz návod k použití sběrnicového modulu MBM-..., resp. blokovacího modulu / vyhodnocovacího modulu s jištěním ochranného krytu MGB2-I.-BR-... / MGB2-L.-BR-... |
| Odolnost proti nárazům a vibracím | Podle normy EN IEC 60947-5-3 |
| Třída ochrany | IP65 (IP20) (Ve vestavěném stavu) |
| Okolní teplota | |
| Při UB = 24 V DC | -25 ... 55 °C |
| Materiál | Plast zesílený skelnými vlákny |
Charakteristické hodnoty podle EN ISO 13849-1 a EN IEC 62061
| B10D | Doba provozu | |
|---|---|---|
| Nouzové zastavení | 0.13x106 | 20 y |
Různé
| Submodulbreite | 1 |
| ID softwaru (SW-ID) | 9000001 |
Příslušenství
Ke stažení
Celé balení
Stáhněte si všechny důležité dokumenty jedním kliknutím.
Obsahuje:
- Návod k použití a příp. dodatky k návodu k použití nebo stručné návody
- Příp. datové listy jako dodatek k návodu k použití
- Prohlášení o shodě
Stáhnout kompletní balíček (ZIP, 0,5 MB)
Jednotlivé dokumenty
Prohlášení o shodě
EU-Konformitätserklärung
Č. dok.
Verze
Jazyk
Velikost
EU-Konformitätserklärung
Č. dok.
EDC2518509
Verze
Jazyk
Velikost
0,2 MB
UKCA-Konformitätserklärung
Č. dok.
Verze
Jazyk
Velikost
UKCA-Konformitätserklärung
Č. dok.
EDC20001508
Verze
Jazyk
Velikost
0,2 MB
Ostatní dokumenty
Schválení a certifikáty
WEEE
Č. dok.
Verze
Jazyk
Velikost
WEEE
Č. dok.
ECO20001806
Verze
Jazyk
Velikost
0,1 MB
Makra ePlan
EUC.161589
Č. dok.
Verze
Jazyk
Velikost
EUC.161589
Č. dok.
Verze
Jazyk
Velikost
0,1 MB
Objednací údaje
| Obj. č. | 161589 |
| Název výrobku | MSM-1-P-CA-BPP-D5-161589 |
| Hmotnost brutto | 0,115kg |
| Číslo celního tarifu | 85371098 |
| ECLASS | 27-24-26-05 Field bus, decentralized peripheral - function-/technology module |













