MGB-L1C-ARA-R-109798 (Obj. č. 109798)
Vyhodnocovací modul s jištěním ochranného krytu MGB-L1-ARA..., (jištění ochranného krytu silou pružiny) 3× tlačítko a 2× indikační prvek, nouzové zastavení, vč. držáku popisu, RC26
- Jištění s monitorováním stavu jištění
- Možnost řazení do série s jinými přístroji AR (např. CES-AR a CET-AR)
- S ovládacím modulem MGB-C
- Nouzové zastavení podle normy ISO 13850
- 3× tlačítko (prosvětlené, wh, wh, bu)
- 2× indikační prvek (prosvětlený, zelený, červený)
- Vč. nalepovacích štítků
- S konektorem RC26
- Unicode

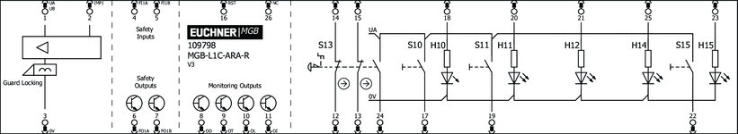
Popis
Způsob jištění ochranného krytu
MGB-L1... | Jisticí západku v zajištěné poloze udržuje síla pružiny, odjištění probíhá silou elektromagnetu (princip klidového proudu, mechanické jištění). |
Dveřní doraz
Do vyhodnocovacího modulu MGB je napevno integrován mechanický dveřní doraz. Na ploše dorazu je umístěna značka, která usnadňuje seřizování.
LED indikace
LED indikace indikuje všechny důležité informace o systému a stavu.
Signalizační výstupy
OD | ZAPNUT při zavřených dveřích |
OT | Jazýček závory zasunut do vyhodnocovacího modulu |
OL | Jisticí elektromagnet v zajištěné poloze |
OI | Diagnostika, nastala chyba |
Tlačítko nouzového zastavení
S1 | 2 nuceně rozpínané kontakty a 1 spínací kontakt (např. signalizační kontakt), tlačítko nouzového zastavení s odjištěním otočením, neprosvětlené |
Tlačítko
S10 | 1 spínací kontakt, bílé, prosvětlené |
S11 | 1 spínací kontakt, bílé, prosvětlené |
S15 | 1 spínací kontakt, modré, prosvětlené |
Indikační prvky
H12 | Zelený světelný zdroj |
H14 | Červený světelný zdroj |
Nalepovací štítky
Přístroje s nalepovacími štítky disponují předem zhotovenými prohlubněmi určenými k vlepení přiložených nalepovacích štítků (standardní rozměr 12,5 × 27 mm).



Rozměrové výkresy

Rozměrové výkresy

Příklady připojení

Technické údaje
Schválení


Ovládací a zobrazovací prvky
| Diagram obsazenosti | |
| C2 | |
| L0 |
| Poloha | Barva | Doplňky | Provedení | Vkládací štítek | Vkládací štítek | Spínací jednotka | Počet | Označení1 | LED |
|---|---|---|---|---|---|---|---|---|---|
| 10 | Bílá | Prosvětlené tlačítko | 1× spínací kontakt | ||||||
| 11 | Bílá | Prosvětlené tlačítko | 1× spínací kontakt | ||||||
| 12 | Zelená | Signálka | |||||||
| 13 | Se signalizačním kontaktem | Nouzové zastavení | Klebeschild D40mm | 2× nuceně rozpínaný kontakt + 1× spínací kontakt | |||||
| 14 | Červená | Signálka | |||||||
| 15 | Modrá | Prosvětlené tlačítko | 1× spínací kontakt |
Hodnoty elektrického připojení
| Návrhové izolační napětí Ui | 30 V |
| Jmenovité impulzní napětí Uimp | 1.5 kV |
| Doba diskrepance | |
| Mezi FO1A a FO1B | max. 10 ms |
| Kategorie použití | |
| DC-13 | 24 V, 200 mA (Varování: Při indukční zátěži musejí být výstupy chráněny nulovou diodou.) |
| Doba rizika podle normy EN 60947-5-3 | max. 350 ms |
| Riziková doba podle EN 60947-5-3, prodloužení pro každou další jednotku | max. 5 ms |
| Třída ochrany | III |
| Kódovaný transpondér | Unicode |
| Stupeň znečištění (externí, podle EN 60947-1) | 3 |
| Řídicí vstup elektromagnetu IMP1, IMP2, IMM | |
| Doba do zapnutí | min. 750 ms |
| Doba trvání zkušebního impulzu | max. 5 ms |
| Interval testovacích impulzů | min. 100 ms |
| Ovládací a indikační prvky | |
| Spínaný výkon | max. 0.25 W |
| Spínací napětí | UA V |
| Spínací proud | 1 ... 10 mA |
| Napájení LED | 24 V DC |
| Nouzové zastavení | |
| Spínaný výkon | max. 0.25 W |
| Spínací napětí | 5 ... 24 V |
| Spínací proud | 1 ... 100 mA |
| Napájení LED | 24 V DC |
| Signalizační výstupy OD, OT, OL, OI | |
| Druh výstupu | Polovodičové výstupy, PNP, odolné proti zkratu |
| Výstupní napětí | UA-2V ... UA V DC (Hodnota při spínaném proudu 50 mA bez přihlédnutí k délce kabelu) |
| Výstupní proud | max. 50 mA |
| Bezpečnostní výstupy FO1A, FO1B | |
| Druh výstupu | Polovodičové výstupy, PNP, odolné proti zkratu |
| Výstupní napětí | |
| UFO1A / UFO1B HIGH | UB-2V ... UB V DC (Hodnota při spínaném proudu 50 mA bez přihlédnutí k délce kabelu) |
| UFO1A / UFO1B LOW | 0 ... 1 V DC |
| Výstupní proud | |
| Na každém bezpečnostním výstupu FO1A/FO1B | 1 ... 200 mA |
| Doba trvání zkušebního impulzu | max. 1 ms |
| Interval testovacích impulzů | min. 100 ms |
| Napájení UA | |
| Napájecí napětí DC | |
| UA | 24 V DC -15% ... +10% ((zabezpečeno proti přepólování, regulováno, zbytkové zvlnění<5 %, PELV)) |
| Odběr proudu | |
| IUA | max. 375 mA ((pokud jisticím elektromagnetem protéká proud a výstupy OD, OT, OL, OI, +20 °C, 24 V nejsou zatížené)) |
| Napájení UB | |
| Napájecí napětí DC | |
| UB | 24 V DC -15% ... +10% ((zabezpečeno proti přepólování, regulováno, zbytkové zvlnění<5 %, PELV)) |
| Odběr proudu | |
| IUB | max. 80 mA ((všechny výstupy bez zatížení)) |
Mechanické hodnoty a prostředí
| Typ připojení | Konektor RC26 (X6) |
| Montážní poloha | Dveřní závěs DIN pravý |
| Frekvence spínání | 0.25 Hz |
| Teplota při skladování | -25 ... 70 °C |
| Mechanická životnost | |
| Při používání ve funkci dveřního závěsu a nárazové energii 1 J | 0.1 x 10⁶ |
| 1 x 10⁶ | |
| Třída ochrany | IP65 |
| Okolní teplota | |
| Při UB = 24 V DC | -20 ... 55 °C |
| Materiál | |
| Pouzdro | Plast zesílený skelnými vlákny; zinkový tlakový odlitek, niklovaný; nerezová ocel |
| Držící síla FZh | 2000 N |
| Princip jištění | Princip klidového proudu |
Charakteristické hodnoty podle EN ISO 13849-1 a EN IEC 62061
| PL | Maximální SIL | PFHD | Kategorie | Doba provozu | |
|---|---|---|---|---|---|
| Ovládání jištění ochranného krytu | PL e | - | 2.8x10-9 | 4 | 20 y |
| Monitorování polohy ochranného krytu | PL e | - | 3.7x10-9 | 4 | 20 y |
| Monitorování jištění ochranného krytu | PL e | - | 3.7x10-9 | 4 | 20 y |
| B10D | Doba provozu | |
|---|---|---|
| Nouzové zastavení | 0.13x106 | 20 y |
Různé
| Vkládací štítek | |||||||
| |||||||
Příslušenství
Ke stažení
Celé balení
Stáhněte si všechny důležité dokumenty jedním kliknutím.
Obsahuje:
- Návod k použití a příp. dodatky k návodu k použití nebo stručné návody
- Příp. datové listy jako dodatek k návodu k použití
- Prohlášení o shodě
Jednotlivé dokumenty
Ostatní dokumenty
Makra ePlan
CAD/eCAD
Objednací údaje
| Obj. č. | 109798 |
| Název výrobku | MGB-L1C-ARA-R-109798 |
| Hmotnost brutto | 1,633kg |
| Číslo celního tarifu | 85365019000 |
| ECLASS | 27-27-24-05 Safety-related transponder switch with guardlocking |











