TX3B-A024RC18C1991 (Obj. č. 093559)
Bezpečnostní spínač TX, konektor M23 (RC18), únikový odjišťovací prvek, možnost odjištění pod zatížením
- Konektor M23 (RC18)
- Kontakty pro signalizaci polohy dveří
- Únikový odjišťovací prvek, krátký
- Možnost odjištění pod zatížením
- Pomocný odjišťovací prvek
- LED indikace
- Princip klidového proudu

Popis
LED indikace
Spínač má dva volně přiřaditelné LED indikátory (červený a zelený).
Princip jištění
Klidový proud (Power to unlock): U ochranného krytu s jištěním na principu klidového proudu je ochranný kryt jištěn silou pružiny, dokud je do jisticího elektromagnetu přiváděn proud. Odjištění probíhá silou elektromagnetu. Tato varianta se také označuje jako mechanické jištění ochranného krytu.
Spínací jednotka
ETX B | Pomalý spínací člen |
Kontakty pro signalizaci stavu jištění ochranného krytu: 2× nuceně rozpínaný kontakt | |
Kontakty pro monitorování polohy dveří: 1× rozpínací kontakt |
Pomocný odjišťovací prvek
Pomocný odjišťovací prvek na čelní straně umožňuje přistupovat ke stroji v případě chybného fungování, například při výpadku napětí. Odjištění se provádí nástrojem nebo klíčem. Pomocný odjišťovací prvek musí být zajištěn proti zneužití (plomba, přelakování).
Únikový odjišťovací prvek
V případě nebezpečí slouží k odjištění ochranného krytu z nebezpečného prostoru bez použití pomůcek.
Možnost odjištění pod zatížením
Tento spínač má zvýšenou přidržovací sílu. Přidržovací síla je maximální síla, která smí v zajištěném stavu bezpečnostního spínače působit na aktuátor, aby bylo možné jištění ochranného krytu ještě odjistit.
Potřebné příslušenství
Aktuátor není součástí dodávky.




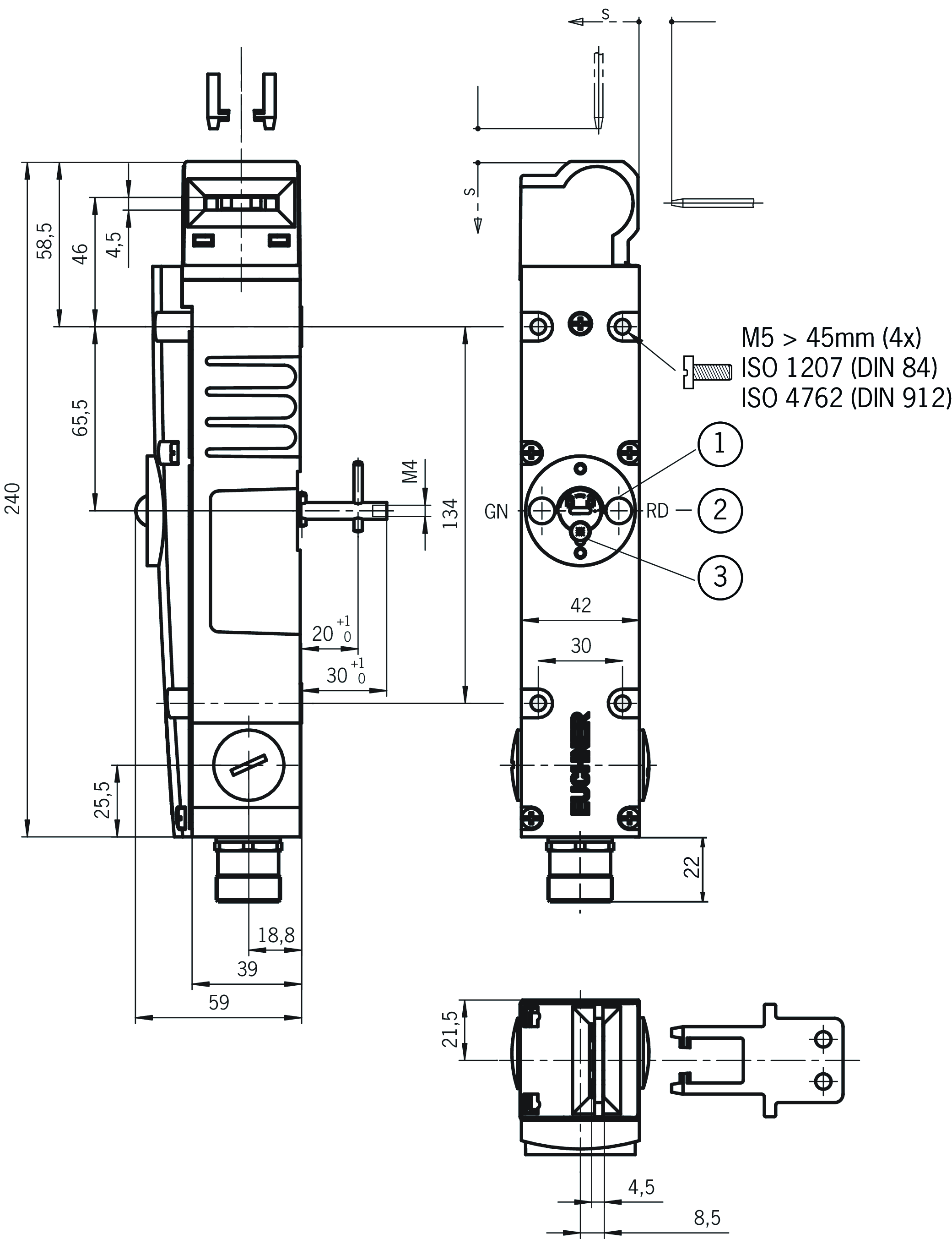
Funkční výkresy

Rozměrové výkresy

| 1 | Pomocný odjišťovací prvek |
| 2 | LED indikace |
| 3 | Pojistný šroub |
Příklady připojení

Technické údaje
Schválení


Ovládací a zobrazovací prvky
| LED displej | Napájecí napětí odpovídá napětí elektromagnetu (2× LED dioda; zelená, červená) |
Hodnoty elektrického připojení
| Zajištění | max. 4 A gG (>70 °C =>2 A gG) |
| Příkon | 8 W (V okamžiku zapnutí 48 W) |
| Návrhové izolační napětí Ui | 50 V |
| Jmenovité impulzní napětí Uimp | 1.5 kV |
| Kategorie použití | |
| DC-13 | 4 A 24 V (>70 °C =>2 A) |
| AC-15 | 4 A 50 V (>70 °C =>2 A) |
| Napájecí napětí elektromagnetu | |
| AC/DC | 24 V -15% ... +10% |
| Zatěžovatel elektromagnetu DZ | 100 % |
| Spínací napětí | |
| Min. při 10 mA | 12 V |
| Spínací proud | |
| Min. při 24 V | 1 mA |
| Řídicí napětí | |
| Us AC/DC | 24 V |
| Tepelný návrhový proud Ith | 4 A (>70 °C =>2 A) |
Mechanické hodnoty a prostředí
| Anfahrgeschwindigkeit | max. 20 m/min |
| Směr nájezdu | A |
| Typ připojení | |
| 1× | Konektor RC18 (18pól. + PE) |
| Počet rozpínacích kontaktů pro monitorování polohy dveří | 1 (>70 °C =>2 A) |
| Počet spínacích kontaktů pro monitorování stavu jištění | 1 |
| Počet nuceně rozpínaných kontaktů pro monitorování stavu jištění | 2 |
| Vytahovací síla | 35 N |
| Frekvence ovládání | max. 1200 1/h |
| Ovládací síla | 35 N |
| Montážní poloha | Libovolná |
| Hloubka zasunutí | 32 mm |
| Teplota při skladování | -25 ... 80 °C |
| Mechanická životnost | 1 x 10⁶ |
| Přidržovací síla | 50 N (Možnost odjištění pod zatížením) |
| Princip přepínání | Pomalý spínací člen |
| Třída ochrany | IP65 |
| Okolní teplota | -20 ... 80 °C |
| Materiál | |
| Pouzdro | Tlakový odlitek z lehkého kovu, katodické nalakování ponořením |
| Kontakt | Slitina stříbra, velmi tenké pozlacení |
| Držící síla Fmax | 1700 N |
| Držící síla FZh | 1300 N |
| Princip jištění | Princip klidového proudu (Možnost odjištění pod zatížením) |
Charakteristické hodnoty podle EN ISO 13849-1 a EN IEC 62061
| B10D | Doba provozu | |
|---|---|---|
| Monitorování jištění ochranného krytu | 5x106 | 20 y |
| Důležité! Hodnoty platí při DC-13 100 mA / 24 V | ||
| PL | Maximální SIL | Kategorie | Doba provozu | |
|---|---|---|---|---|
| Ovládání jištění ochranného krytu | V závislosti na externím ovládání jištění ochranného krytu | 20 y | ||
Různé
| Číslo C | |
| C1991 | Únikový odjišťovací prvek s krátkou osou |
V kombinaci s aktuátorem BETAETIGER-X-GQ
| Volný chod | 1 mm |
V kombinaci s aktuátorem BETAETIGER-X-GNQ
| Volný chod | 8 mm |
Příslušenství

RIEGEL TX-AF
- Pro bezpečnostní spínače s únikovým odjišťovacím prvkem TX...C1991 a 2161
- Ocelová petlice
- Pro dveře se závěsy napravo
- Úniková páka
- Aretační knoflík v otevřené poloze
- Vhodné pro mezeru mezi dveřmi a rámem cca 15 mm

RIEGEL TX-CF
- Pro bezpečnostní spínače s únikovým odjišťovacím prvkem TX...C1991 a 2161
- Ocelová petlice
- Pro dveře se závěsy nalevo
- Úniková páka
- Aretační knoflík v otevřené poloze
- Vhodné pro mezeru mezi dveřmi a rámem cca 15 mm
C-M23F19-19XDIFPU01,5-MA-092906
- Konektor M23, 18pól. + PE
- Úhlový konektor
- Vývod kabelu C (doleva)
- Kabel z PUR
- Délka kabelu 1,5 m
- Kabel s volným koncem
- Jednotlivé žíly barevně kódované
C-M23F19-19XDIFPU01,5-MA-092907
- Konektor M23, 18pól. + PE
- Úhlový konektor
- Vývod kabelu A (doprava)
- Kabel z PUR
- Délka kabelu 1,5 m
- Kabel s volným koncem
- Jednotlivé žíly barevně kódované
C-M23F19-19XDIFPU10,0-MA-092901
- Konektor M23, 18pól. + PE
- Úhlový konektor
- Vývod kabelu C (doleva)
- Kabel z PUR
- Délka kabelu 10 m
- Kabel s volným koncem
- Jednotlivé žíly barevně kódované
C-M23F19-19XDIFPU10,0-MA-092902
- Konektor M23, 18pól. + PE
- Úhlový konektor
- Vývod kabelu A (doprava)
- Kabel z PUR
- Délka kabelu 10 m
- Kabel s volným koncem
- Jednotlivé žíly barevně kódované
C-M23F19-19XDIFPU15,0-MA-077020
- Konektor M23, 18pól. + PE
- Úhlový konektor
- Vývod kabelu C (doleva)
- Kabel z PUR
- Délka kabelu 15 m
- Kabel s volným koncem
- Jednotlivé žíly barevně kódované
C-M23F19-19XDIFPU15,0-MA-085196
- Konektor M23, 18pól. + PE
- Úhlový konektor
- Vývod kabelu A (doprava)
- Kabel z PUR
- Délka kabelu 15 m
- Kabel s volným koncem
- Jednotlivé žíly barevně kódované
C-M23F19-19XDIFPU20,0-MA-092910
- Konektor M23, 18pól. + PE
- Úhlový konektor
- Vývod kabelu C (doleva)
- Kabel z PUR
- Délka kabelu 20 m
- Kabel s volným koncem
- Jednotlivé žíly barevně kódované
C-M23F19-19XDIFPU20,0-MA-092911
- Konektor M23, 18pól. + PE
- Úhlový konektor
- Vývod kabelu A (doprava)
- Kabel z PUR
- Délka kabelu 20 m
- Kabel s volným koncem
- Jednotlivé žíly barevně kódované
C-M23F19-19XDIFPU25,0-MA-092912
- Konektor M23, 18pól. + PE
- Úhlový konektor
- Vývod kabelu C (doleva)
- Kabel z PUR
- Délka kabelu 25 m
- Kabel s volným koncem
- Jednotlivé žíly barevně kódované
C-M23F19-19XDIFPU25,0-MA-092913
- Konektor M23, 18pól. + PE
- Úhlový konektor
- Vývod kabelu A (doprava)
- Kabel z PUR
- Délka kabelu 25 m
- Kabel s volným koncem
- Jednotlivé žíly barevně kódované
C-M23F19-19XDIFPU03,0-MA-092908
- Konektor M23, 18pól. + PE
- Úhlový konektor
- Vývod kabelu C (doleva)
- Kabel z PUR
- Délka kabelu 3 m
- Kabel s volným koncem
- Jednotlivé žíly barevně kódované
C-M23F19-19XDIFPU03,0-MA-092909
- Konektor M23, 18pól. + PE
- Úhlový konektor
- Vývod kabelu A (doprava)
- Kabel z PUR
- Délka kabelu 3 m
- Kabel s volným koncem
- Jednotlivé žíly barevně kódované
C-M23F19-19XDIFPU06,0-MA-077018
- Konektor M23, 18pól. + PE
- Úhlový konektor
- Vývod kabelu C (doleva)
- Kabel z PUR
- Délka kabelu 6 m
- Kabel s volným koncem
- Jednotlivé žíly barevně kódované
C-M23F19-19XDIFPU06,0-MA-085194
- Konektor M23, 18pól. + PE
- Úhlový konektor
- Vývod kabelu A (doprava)
- Kabel z PUR
- Délka kabelu 6 m
- Kabel s volným koncem
- Jednotlivé žíly barevně kódované
C-M23F19-19XDIFPU08,0-MA-077019
- Konektor RC18, 18pól. + PE
- Úhlový konektor
- Vývod kabelu C (doleva)
- Kabel z PUR
- Délka kabelu 8 m
- Kabel s volným koncem
- Jednotlivé žíly barevně kódované
C-M23F19-19XDIFPU08,0-MA-085195
- Konektor M23, 18pól. + PE
- Úhlový konektor
- Vývod kabelu A (doprava)
- Kabel z PUR
- Délka kabelu 8 m
- Kabel s volným koncem
- Jednotlivé žíly barevně kódované
Ke stažení
Celé balení
Stáhněte si všechny důležité dokumenty jedním kliknutím.
Obsahuje:
- Návod k použití a příp. dodatky k návodu k použití nebo stručné návody
- Příp. datové listy jako dodatek k návodu k použití
- Prohlášení o shodě
Jednotlivé dokumenty
Ostatní dokumenty
CAD/eCAD
Objednací údaje
| Obj. č. | 093559 |
| Název výrobku | TX3B-A024RC18C1991 |
| Hmotnost brutto | 0,987kg |
| Číslo celního tarifu | 85365019000 |
| ECLASS | 27-27-26-03 Safety switch with guard control |
+ 1× spínací kontakt


















