Úvodní stránkaVýrobkyElektromechanické bezpečnostní spínače bez jištění ochranného krytuN1A / NB01 Jednoduchý koncový spínač, polohový spínač NZ a vestavěný koncový spínač EGZNZ1RK-2131-M
NZ1RK-2131-M (Obj. č. 090907)
Zvolte obsah
Bezpečnostní spínač NZ.RK, plunžr s rolnou, ocelová rolna ø 8 mm, kabelový vstup M20 × 1,5
- Plunžr s rolnou, ocelová rolna ø 8 mm
- Kabelový vstup M20 × 1,5
- 3× nuceně rozpínaný kontakt
- 1× spínací kontakt

Popis
Spínací jednotka
2131H | Pomalý spínací člen, 3× nuceně rozpínaný kontakt |




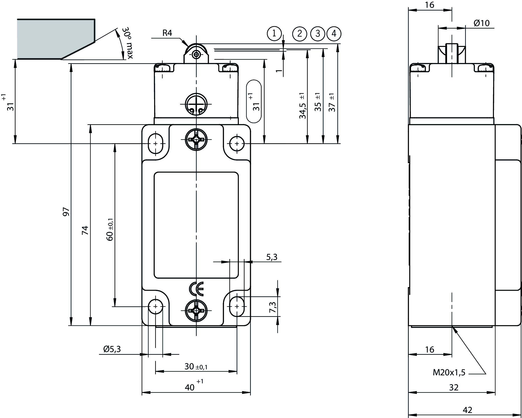
Rozměrové výkresy

| 1 | Spínací bod, spínací kontakt 33–34 |
| 2 | Spínací bod, rozpínací kontakt 11–12 |
| 3 | Spínací bod, rozpínací kontakt 21–22, 41–42 |
| 4 | Klidová poloha |
Příklady připojení

Diagramy směnových jízd

![]() | Kontakty sepnuty |
![]() | Kontakty rozepnuty |
![]() | Kontakty nuceně rozepnuty |
Technické údaje
Schválení




Hodnoty elektrického připojení
| Zajištění | max. 4 A gG |
| Průřez přípojky | 0.34 ... 1.5 mm² |
| Návrhové izolační napětí Ui | 250 V |
| Jmenovité impulzní napětí Uimp | 2.5 kV |
| Kategorie použití | |
| DC-13 | 4 A 24 V |
| AC-15 | 4 A 230 V |
| Spínací proud | |
| Min. při 24 V DC | 1 mA |
| Tepelný návrhový proud Ith | 4 A |
Mechanické hodnoty a prostředí
| Anfahrgeschwindigkeit | 0.1 ... 50 m/min |
| Typ připojení | |
| 1× | M20 × 1,5 |
| Počet spínacích kontaktů | 1 |
| Počet nuceně rozpínaných kontaktů pro monitorování polohy dveří | 3 |
| Ovládací prvek | |
| Kluzné ložisko z kovu | Plunžr s rolnou (d rolny = 8 mm) |
| Ovládací síla | 15 ... 30 N |
| Montážní poloha | Libovolná |
| Teplota při skladování | -25 ... 80 °C |
| Mechanická životnost | 30 x 10⁶ |
| Princip přepínání | Pomalý spínací člen |
| Třída ochrany | IP67 |
| Okolní teplota | -25 ... 80 °C |
| Materiál | |
| Pouzdro | Anodicky oxidovaný tlakový odlitek z lehkého kovu |
| Kontakt | Slitina stříbra, velmi tenké pozlacení |
Charakteristické hodnoty podle EN ISO 13849-1 a EN IEC 62061
| B10D | Doba provozu | |
|---|---|---|
| Bezpečná detekce polohy | 2x107 | 20 y |
| Důležité! Hodnoty platí při DC-13 100 mA / 24 V | ||
Příslušenství
Ke stažení
Celé balení
Stáhněte si všechny důležité dokumenty jedním kliknutím.
Obsahuje:
- Návod k použití a příp. dodatky k návodu k použití nebo stručné návody
- Příp. datové listy jako dodatek k návodu k použití
- Prohlášení o shodě
Stáhnout kompletní balíček (ZIP, 3,6 MB)
Jednotlivé dokumenty
Pokyny
Operating Instructions Safety Switch NZ.D.../NZ.W.../NZ.R...
Č. dok.
Verze
Jazyk
Velikost
Operating Instructions Safety Switch NZ.D.../NZ.W.../NZ.R...
Č. dok.
2074549
Verze
08/25
Jazyk
Velikost
0,6 MB
Mode d’emploi Interrupteur de sécurité NZ.D.../NZ.W.../NZ.R...
Č. dok.
2074549
Verze
08/25
Jazyk
Velikost
0,7 MB
Manual de instrucciones Interruptor de seguridad NZ.D.../NZ.W.../NZ.R...
Č. dok.
2074549
Verze
08/25
Jazyk
Velikost
0,7 MB
Betriebsanleitung Sicherheitsschalter NZ.D.../NZ.W.../NZ.R...
Č. dok.
2074549
Verze
08/25
Jazyk
Velikost
0,7 MB
Istruzioni di impiego Finecorsa di sicurezza NZ.D.../NZ.W.../NZ.R...
Č. dok.
2074549
Verze
08/25
Jazyk
Velikost
0,6 MB
Instrukcja obsługi Wyłącznik bezpieczeństwa NZ.D.../NZ.W.../NZ.R...
Č. dok.
2074549
Verze
08/25
Jazyk
Velikost
1,1 MB
Návod na prevádzku Bezpečnostný spínač NZ.D.../NZ.W.../NZ.R...
Č. dok.
2074549
Verze
08/25
Jazyk
Velikost
1,1 MB
Prohlášení o shodě
EU-Konformitätserklärung
Č. dok.
Verze
Jazyk
Velikost
EU-Konformitätserklärung
Č. dok.
EDC2539628
Verze
Jazyk
Velikost
0,2 MB
UKCA-Konformitätserklärung
Č. dok.
Verze
Jazyk
Velikost
UKCA-Konformitätserklärung
Č. dok.
EDC20001551
Verze
Jazyk
Velikost
0,1 MB
Ostatní dokumenty
Prodejní doklady
Bezpečnostní spínače s kovovým pouzdrem
Č. dok.
Verze
Jazyk
Velikost
Bezpečnostní spínače s kovovým pouzdrem
Č. dok.
121650
Verze
11-03/18
Jazyk
Velikost
7,8 MB
Safety Switches with Metal Housing
Č. dok.
100369
Verze
11-03/18
Jazyk
Velikost
7,8 MB
Interrupteurs de sécurité avec boîtier métallique
Č. dok.
100676
Verze
11-03/18
Jazyk
Velikost
7,9 MB
Interruptores de seguridad con carcasa metálica
Č. dok.
104856
Verze
11-03/18
Jazyk
Velikost
14,0 MB
Sicherheitsschalter mit Metallgehäuse
Č. dok.
100319
Verze
11-03/18
Jazyk
Velikost
7,9 MB
金属壳体 的安全开关
Č. dok.
102453
Verze
11-03/18
Jazyk
Velikost
8,2 MB
Schválení a certifikáty
CCC
Č. dok.
Verze
Jazyk
Velikost
CCC
Č. dok.
20001849
Verze
Jazyk
Velikost
0,0 MB
DGUV
Č. dok.
Verze
Jazyk
Velikost
DGUV
Č. dok.
Verze
Jazyk
Velikost
3,4 MB
DNV-GL
Č. dok.
Verze
Jazyk
Velikost
DNV-GL
Č. dok.
Verze
Jazyk
Velikost
0,2 MB
WEEE
Č. dok.
Verze
Jazyk
Velikost
WEEE
Č. dok.
ECO20001806
Verze
Jazyk
Velikost
0,1 MB
c UL us
Č. dok.
Verze
Jazyk
Velikost
c UL us
Č. dok.
Verze
Jazyk
Velikost
0,3 MB
Makra ePlan
EUC.090907
Č. dok.
Verze
Jazyk
Velikost
EUC.090907
Č. dok.
Verze
Jazyk
Velikost
0,2 MB
CAD/eCAD
Objednací údaje
| Obj. č. | 090907 |
| Název výrobku | NZ1RK-2131-M |
| Hmotnost brutto | 0,323kg |
| Číslo celního tarifu | 85365019000 |
| ECLASS | 27-27-26-01 Safety position switch (Type 1) |
+ 1× spínací kontakt




