Úvodní stránkaVýrobkyElektromechanické bezpečnostní spínače bez jištění ochranného krytuKompaktní plastový spínač NP / NPU / NMUNMU-11VZA-M-AWS-175968
NMU-11VZA-M-AWS-175968 (Obj. č. 175968)
Zvolte obsah
Bezpečnostní spínač NMU, kabelový vstup M20 × 1,5
- Kabelový vstup M20 × 1,5
- 1× nuceně rozpínaný kontakt
- 1× spínací kontakt

Popis
Spínací jednotka
NMU-11 | Pomalý spínací člen, 1× nuceně rozpínaný kontakt |
Rozsah dodávky
- BETAETIGER-M-WS (obj. č. 074129)




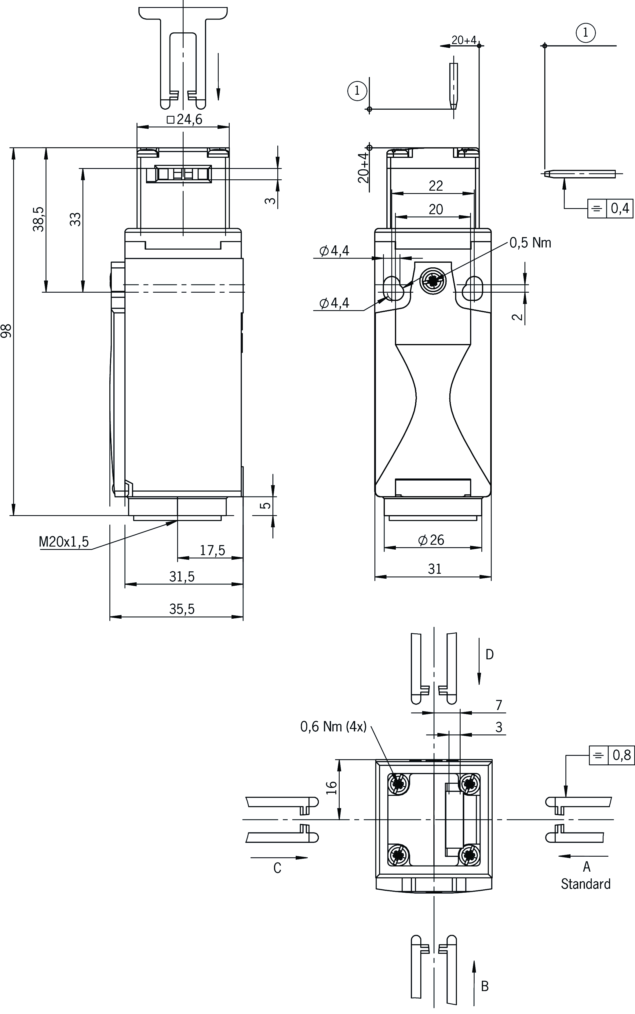
Rozměrové výkresy

| 1) | Hloubka zasunutí |
Rozměrové výkresy

Příklady připojení

Technické údaje
Hodnoty elektrického připojení
| Zajištění | max. 4 A gG |
| Průřez přípojky | 0.34 ... 1.00 mm² |
| Návrhové izolační napětí Ui | 30 V |
| Jmenovité impulzní napětí Uimp | 2.5 kV |
| Kategorie použití | |
| AC-15 | 4 A 24 V |
| DC-13 | 4 A 24 V |
| Spínací napětí | |
| Min. při 10 mA | 12 V |
| Spínací proud | |
| Min. při 24 V | 1 mA |
| Tepelný návrhový proud Ith | 4 A |
Mechanické hodnoty a prostředí
| Anfahrgeschwindigkeit | max. 20 m/min |
| Směr nájezdu | A |
| Typ připojení | |
| 1× | M20 × 1,5 |
| Počet spínacích kontaktů pro monitorování polohy dveří | 1 |
| Počet nuceně rozpínaných kontaktů pro monitorování polohy dveří | 1 |
| Vytahovací síla | 15 N |
| Provedení | Krátké pouzdro |
| Frekvence ovládání | max. 7000 1/h |
| Ovládací síla | 10 N |
| Montážní poloha | Libovolná |
| Hloubka zasunutí | 20 mm |
| Teplota při skladování | -25 ... 80 °C |
| Mechanická životnost | 1 x 10⁶ |
| Přidržovací síla | 2 N |
| Princip přepínání | Pomalý spínací člen |
| Třída ochrany | IP67 |
| Okolní teplota | -20 ... 80 °C |
| Materiál | |
| Kontakt | Slitina stříbra, velmi tenké pozlacení |
| Pouzdro | Termoplast zesílený skelnými vlákny |
Charakteristické hodnoty podle EN ISO 13849-1 a EN IEC 62061
| B10D | Doba provozu | |
|---|---|---|
| Monitorování polohy ochranného krytu | 1x106 | 20 y |
| Důležité! Hodnoty platí při DC-13 100 mA / 24 V | ||
V kombinaci s aktuátorem BETAETIGER-M-G
| Volný chod | 4 mm |
Příslušenství
Aktuátor
Aktuátor pro bezpečnostní spínač NM.VZ

074079
BETAETIGER-M-GQ
BETAETIGER-M-GQ
- Aktuátor z nerezové oceli
- Každý aktuátor má dva nerezové bezpečnostní šrouby
- Aktuátor s pryžovou průchodkou

074128
BETAETIGER-M-GS
BETAETIGER-M-GS
- Aktuátor z nerezové oceli
- Každý aktuátor má dva nerezové bezpečnostní šrouby
- Úzké provedení

074130
BETAETIGER-M-GTS
BETAETIGER-M-GTS
- Aktuátor z nerezové oceli
- Každý aktuátor má dva nerezové bezpečnostní šrouby
- Aktuátor s pryžovou průchodkou
- Úzké provedení

074129
BETAETIGER-M-WS
BETAETIGER-M-WS
- Aktuátor z nerezové oceli
- Každý aktuátor má dva nerezové bezpečnostní šrouby
- Úzké provedení

074080
BETAETIGER-M-WT
BETAETIGER-M-WT
- Aktuátor z nerezové oceli
- Každý aktuátor má dva nerezové bezpečnostní šrouby
- Aktuátor s pryžovou průchodkou
Ke stažení
Celé balení
Stáhněte si všechny důležité dokumenty jedním kliknutím.
Obsahuje:
- Návod k použití a příp. dodatky k návodu k použití nebo stručné návody
- Příp. datové listy jako dodatek k návodu k použití
- Prohlášení o shodě
Stáhnout kompletní balíček (ZIP, 2,1 MB)
Jednotlivé dokumenty
Prohlášení o shodě
EU-Konformitätserklärung
Č. dok.
Verze
Jazyk
Velikost
EU-Konformitätserklärung
Č. dok.
EDC2539628
Verze
Jazyk
Velikost
0,2 MB
UKCA-Konformitätserklärung
Č. dok.
Verze
Jazyk
Velikost
UKCA-Konformitätserklärung
Č. dok.
EDC20001551
Verze
Jazyk
Velikost
0,1 MB
Ostatní dokumenty
Prodejní doklady
Bezpečnostní spínače s plastovým pouzdrem
Č. dok.
Verze
Jazyk
Velikost
Bezpečnostní spínače s plastovým pouzdrem
Č. dok.
121649
Verze
11-03/18
Jazyk
Velikost
6,5 MB
Safety Switches with Plastic Housing
Č. dok.
096956
Verze
11-03/18
Jazyk
Velikost
6,5 MB
Interrupteurs de sécurité avec boîtier plastique
Č. dok.
100677
Verze
11-03/18
Jazyk
Velikost
6,6 MB
Interruptores de seguridad con carcasa plástica
Č. dok.
104855
Verze
11-03/18
Jazyk
Velikost
6,6 MB
Sicherheitsschalter mit Kunststoffgehäuse
Č. dok.
096955
Verze
11-03/18
Jazyk
Velikost
6,6 MB
塑料壳体 的安全开关
Č. dok.
116243
Verze
11-03/18
Jazyk
Velikost
6,1 MB
Objednací údaje
| Obj. č. | 175968 |
| Název výrobku | NMU-11VZA-M-AWS-175968 |
| Hmotnost brutto | 0,121kg |
| Číslo celního tarifu | 85365019000 |
| ECLASS | 27-27-26-02 Safety switch with separate actuator (Type 2) |
+ 1× spínací kontakt
