A-FLX-B-08-A1-A1-170487 (Obj. č. 170487)
Zvolte obsah
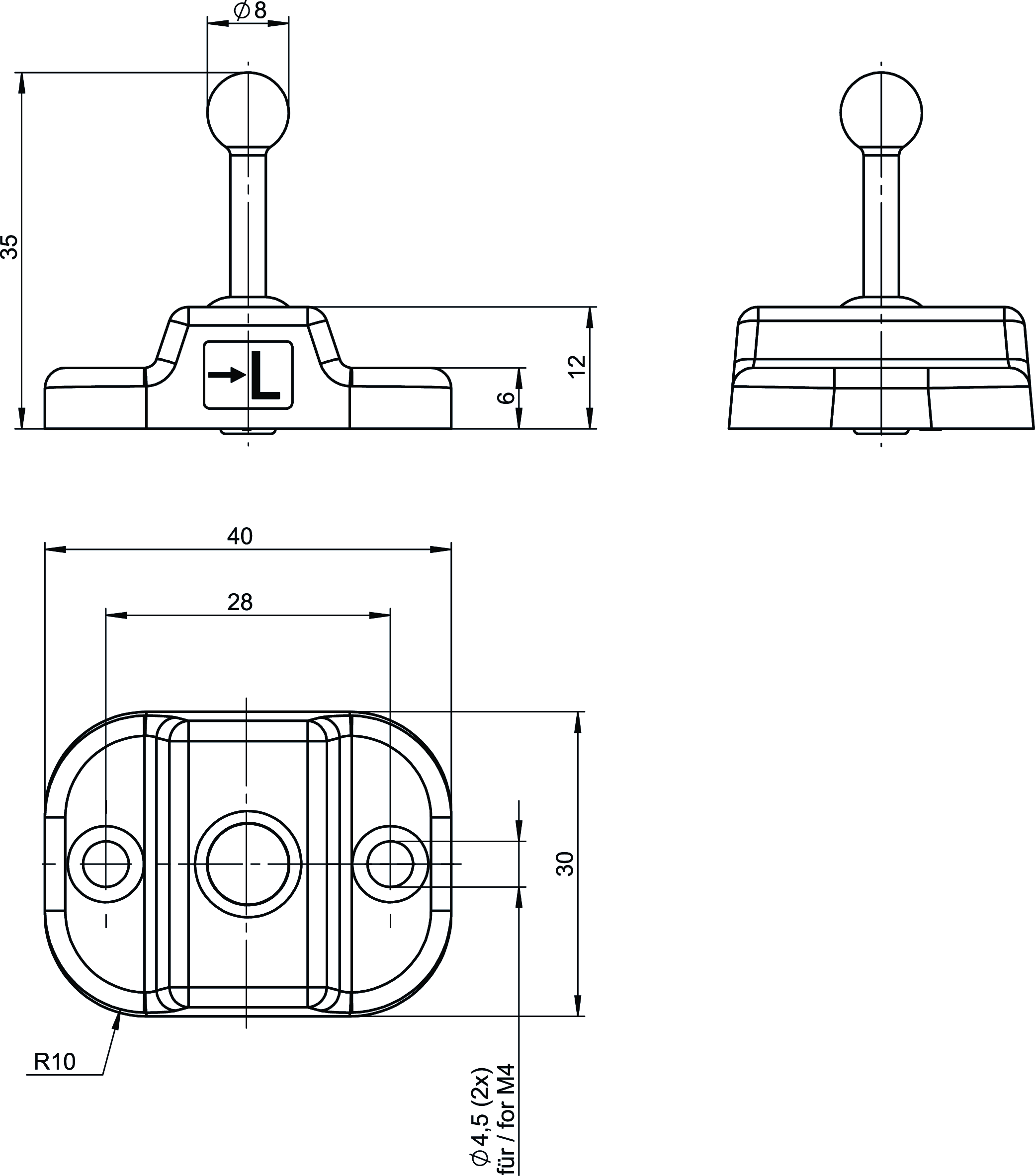
Aktuátor pro bezpečnostní spínač CTM
- Použití jen v kombinaci s variantami přístrojů CTM-CBI a CTM-C2
- Aktuátor pro konfiguraci spínače s monitorováním stavu jištění
- Kuličkový pohon, pevný
- Dveře s poloměrem od 150 mm
- Dva bezpečnostní šrouby M4×14 jsou součástí dodávky.

Popis
Bezpečnostní šrouby
Přiložené bezpečnostní šrouby M4×14 lze zašroubovat běžnými nástroji, nelze je však znovu vyšroubovat.


Rozměrové výkresy

Rozměrové výkresy

Technické údaje
Schválení

Hodnoty elektrického připojení
| Napájení | Indukční z čtecí hlavy |
Mechanické hodnoty a prostředí
| Teplota při skladování | -25 ... 70 °C |
| Mechanická životnost | 1 x 10⁶ |
| Volný chod | 2 mm |
| Třída ochrany | IP65/IP67/IP69/IP69K |
| Okolní teplota | -20 ... 60 °C |
| Materiál | |
| Nosič | Termoplast zesílený skelnými vlákny |
| Kuličkový prvek | Nerezová ocel |
| Těsnění | NBR |
| Držící síla Fmax | 1300 N |
| Držící síla FZh | 1000 N (Fzh = Fmax/1,3) |
Ke stažení
Celé balení
Stáhněte si všechny důležité dokumenty jedním kliknutím.
Obsahuje:
- Návod k použití a příp. dodatky k návodu k použití nebo stručné návody
- Příp. datové listy jako dodatek k návodu k použití
- Prohlášení o shodě
Stáhnout kompletní balíček (ZIP, 0,8 MB)
Jednotlivé dokumenty
Prohlášení o shodě
EU-Konformitätserklärung
Č. dok.
Verze
Jazyk
Velikost
EU-Konformitätserklärung
Č. dok.
EDC2525461
Verze
Jazyk
Velikost
0,5 MB
UKCA-Konformitätserklärung
Č. dok.
Verze
Jazyk
Velikost
UKCA-Konformitätserklärung
Č. dok.
EDC20001477
Verze
Jazyk
Velikost
0,1 MB
Ostatní dokumenty
Schválení a certifikáty
WEEE
Č. dok.
Verze
Jazyk
Velikost
WEEE
Č. dok.
ECO20001806
Verze
Jazyk
Velikost
0,1 MB
c UL us
Č. dok.
Verze
Jazyk
Velikost
c UL us
Č. dok.
Verze
Jazyk
Velikost
0,3 MB
CAD/eCAD
Objednací údaje
| Obj. č. | 170487 |
| Název výrobku | A-FLX-B-08-A1-A1-170487 |
| Hmotnost brutto | 0,025kg |
| Číslo celního tarifu | 85389099990 |
| ECLASS | 27-27-24-04 Actuator for safety-related proximity switch |

