C-M12F05-05X034PU0,22-M12M05-163573 (Obj. č. 163573)
Zvolte obsah
Připojovací kabel s 2 konektory M12, 5pól., 0,22 m, standard AIDA
- Zástrčka M12 s dutinkami – konektor M12, 5pól.
- Přímá spojka pro zástrčku s dutinkami a konektor
- Připojovací kabel podle standardu AIDA
- Kabel z PUR, žlutý plášť
- Délka kabelu 0,22 m

Popis

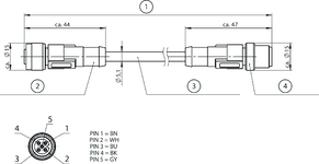
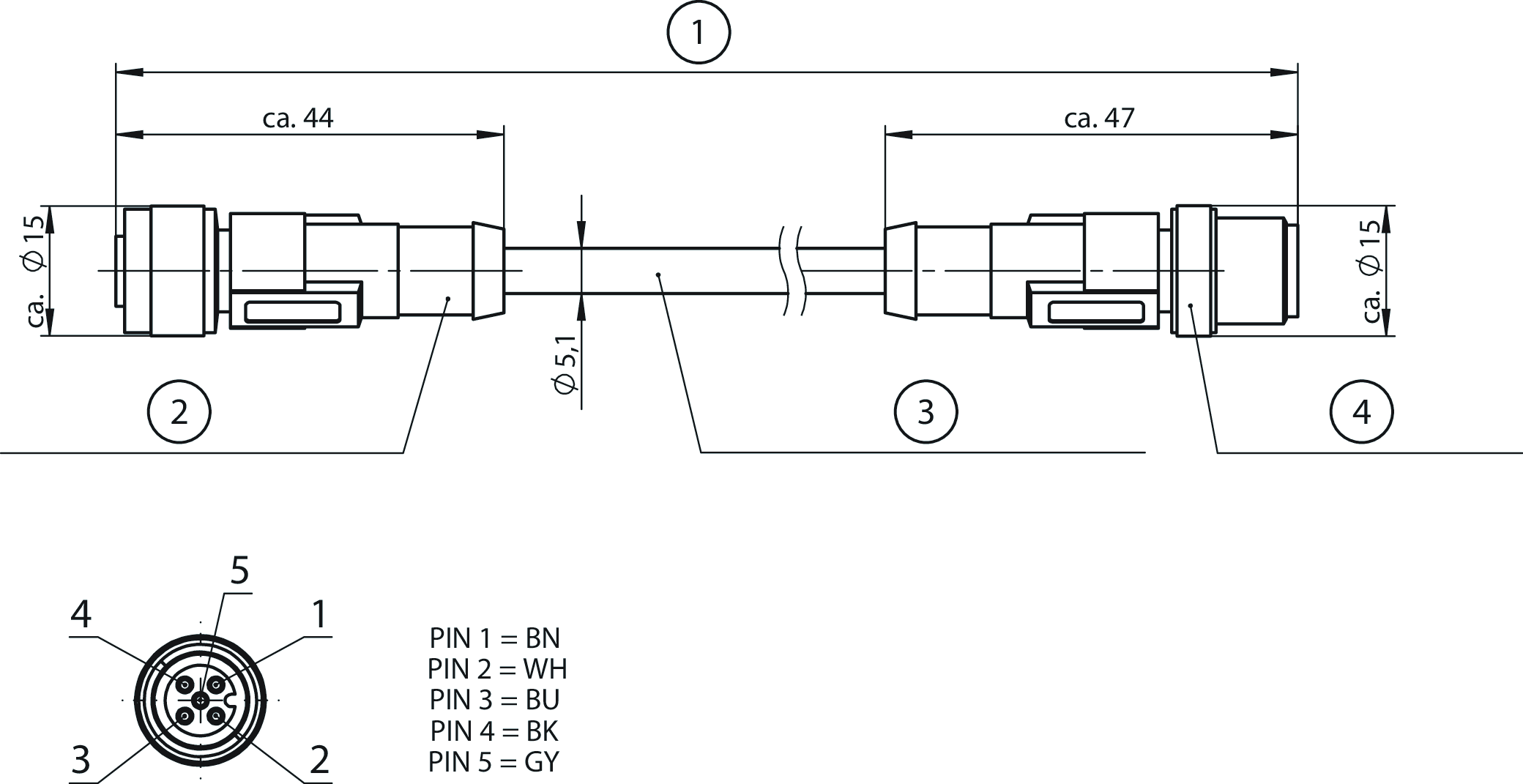
Rozměrové výkresy

| 1 | Délka kabelu 0,22 m |
| 2 | Zástrčka M12 × 1 s dutinkami, 5pól. |
| 3 | Kabel z PUR |
| 4 | Zásuvka M12 × 1 s kolíky, 5pól. |
Technické údaje
Schválení

Hodnoty elektrického připojení
| Návrhové napětí | |
| DC | 60 V |
| Jmenovité impulzní napětí Uimp | 1.5 kV |
| Jmenovitý proud | |
| Při 40 °C | 4 A |
| Přípojka 1 | |
| Stupeň znečištění podle EN 60664-1 | 3 |
| Přípojka 2 | |
| Stupeň znečištění podle EN 60664-1 | 3 |
Mechanické hodnoty a prostředí
| Označení žíly | Barevný kód |
| Průřez žíly | 0,34 mm² |
| Počet žil | 5 |
| Poloměr ohybu dynamický | 7,5× průměr kabelu |
| Poloměr ohybu statický | 4× průměr kabelu |
| Chování při hoření | Odolný proti šíření plamene podle normy IEC 60332-1-2, UL 758/1581 VW-1, UL 758/1581 FT1 |
| Bez halogenů | Ano, podle normy DIN VDE 0472 část 815 |
| Teplota při skladování | -25 ... 90 °C |
| Druh kabelu | Přímý |
| Průměr kabelu | |
| Cca | 5.1 mm |
| Délka kabelu | 0.22 m |
| Barva pláště | Žlutá |
| Odolnost proti médiím | Odolnost proti jiskrám při svařování |
| Vhodnost pro použití s vlečnými řetězy | Ano |
| Bez silikonů | Ano |
| Povolený rozsah provozních teplot – kabel (dynamicky) | -25 ... 90 °C |
| Povolený rozsah provozních teplot – kabel (staticky) | -25 ... 90 °C |
| Materiál | |
| Plášť | PUR |
| Přípojka 1 | |
| Typ připojení | Konektor M12×1 |
| Typ připojení | Zástrčka s dutinkami |
| Vývod kabelu | Přímý |
| Počet pólů | 5 |
| Třída ochrany | IP65/IP67 (V zapojeném stavu) |
| Zajištění konektoru | Šroubovací uzávěr |
| Zapojovací cykly | 100 |
| Materiál | |
| Pouzdro konektoru | TPU |
| Přípojka 2 | |
| Typ připojení | Konektor M12×1 |
| Typ připojení | Zásuvka s kolíky |
| Vývod kabelu | Přímý |
| Počet pólů | 5 |
| Třída ochrany | IP65/IP67 (V zapojeném stavu) |
| Zajištění konektoru | Šroubovací uzávěr |
| Zapojovací cykly | 100 |
| Materiál | |
| Pouzdro konektoru | TPU |
Ke stažení
Celé balení
Stáhněte si všechny důležité dokumenty jedním kliknutím.
Obsahuje:
- Návod k použití a příp. dodatky k návodu k použití nebo stručné návody
- Příp. datové listy jako dodatek k návodu k použití
- Prohlášení o shodě
Stáhnout kompletní balíček (ZIP, 1,0 MB)
Jednotlivé dokumenty
Pokyny
Bezpečnostní informace
Č. dok.
Verze
Jazyk
Velikost
Bezpečnostní informace
Safety information
Information de sécurité
Información de seguridad
Sicherheitsinformation
Informação de segurança
Informazioni sulla sicurezza
Biztonsági információ
Информация за безопасност
Sikkerhedsinformation
Ohutusalane teave
Turvallisuustiedot
Πληροφορία ασφαλείας
Sigurnosne informacije
Informācija par drošību
Saugos informacija
Veiligheidsinformatie
Sikkerhetsinformasjon
Informacje o bezpieczeństwie
Säkerhetsinformation
Varnostne informacije
Bezpečnostné informácie
Güvenlik bilgisi
Informații privind siguranța
Safety information
Information de sécurité
Información de seguridad
Sicherheitsinformation
Informação de segurança
Informazioni sulla sicurezza
Biztonsági információ
Информация за безопасност
Sikkerhedsinformation
Ohutusalane teave
Turvallisuustiedot
Πληροφορία ασφαλείας
Sigurnosne informacije
Informācija par drošību
Saugos informacija
Veiligheidsinformatie
Sikkerhetsinformasjon
Informacje o bezpieczeństwie
Säkerhetsinformation
Varnostne informacije
Bezpečnostné informácie
Güvenlik bilgisi
Informații privind siguranța
Č. dok.
MAN20001593
Verze
01-10/22
Jazyk
Velikost
0,6 MB
Sicherheitsinformation
Č. dok.
MAN20001593
Verze
01-10/22
Jazyk
Velikost
0,2 MB
Prohlášení o shodě
EU-Konformitätserklärung
Č. dok.
Verze
Jazyk
Velikost
EU-Konformitätserklärung
Č. dok.
EDC20001578
Verze
Jazyk
Velikost
0,2 MB
Ostatní dokumenty
Prodejní doklady
Schválení a certifikáty
WEEE
Č. dok.
Verze
Jazyk
Velikost
WEEE
Č. dok.
ECO20001806
Verze
Jazyk
Velikost
0,1 MB
c UL us
Č. dok.
Verze
Jazyk
Velikost
c UL us
Č. dok.
Verze
Jazyk
Velikost
0,2 MB
Objednací údaje
| Obj. č. | 163573 |
| Název výrobku | C-M12F05-05X034PU0,22-M12M05-163573 |
| Hmotnost brutto | 0,3kg |
| Číslo celního tarifu | 85444290900 |
| ECLASS | 27-06-03-04 Appliance cord (data cable) |
