ES-HWAV-0 (Obj. č. 157255)
Zvolte obsah
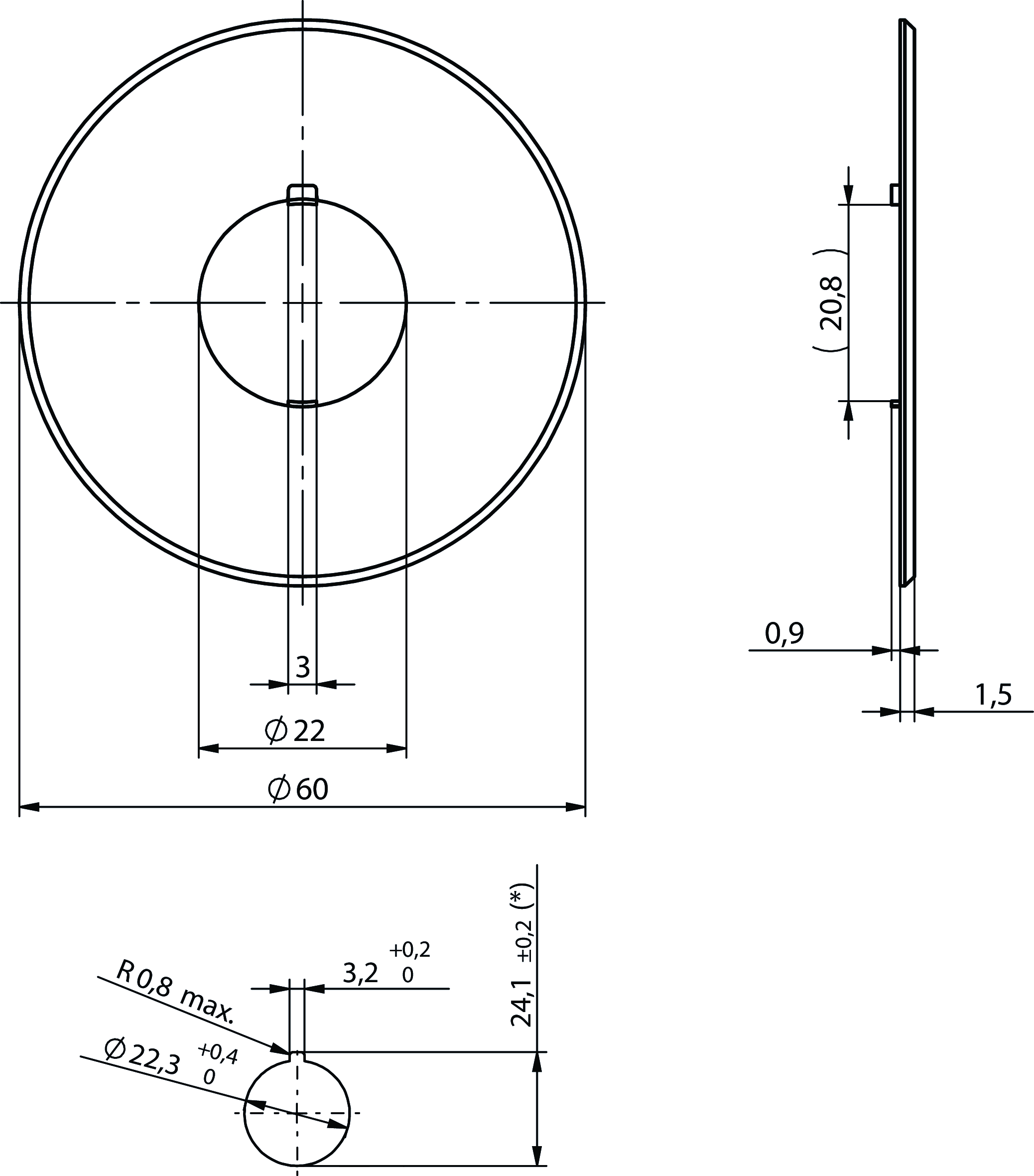
Štítek upozorňující na možnost nouzového zastavení, bez popisu, pro 40mm tlačítka u přístrojů ES-XW
- Štítek upozorňující na možnost nouzového zastavení, bez popisu, pro 40mm tlačítka u přístrojů ES-XW

Popis

Rozměrové výkresy

Technické údaje
Mechanické hodnoty a prostředí
| Teplota při skladování | -25 ... 70 °C |
Různé
| Druh součásti | Štítek upozorňující na možnost nouzového zastavení pro 40mm tlačítka u přístrojů ES-XW, bez popisu. |
Ke stažení
Celé balení
Stáhněte si všechny důležité dokumenty jedním kliknutím.
Obsahuje:
- Návod k použití a příp. dodatky k návodu k použití nebo stručné návody
- Příp. datové listy jako dodatek k návodu k použití
- Prohlášení o shodě
Stáhnout kompletní balíček (ZIP, 0,7 MB)
Objednací údaje
| Obj. č. | 157255 |
| Název výrobku | ES-HWAV-0 |
| Hmotnost brutto | 0,006kg |
| Číslo celního tarifu | 85389099990 |
| ECLASS | 27-37-12-44 EMERGENCY-STOP pushbutton, complete device |
