ZSM2300-136371 (Obj. č. 136371)
Zvolte obsah
ZSM, konektor HAN8A
- 3stupňová funkce
- Přímý připojovací kabel
- Konektor

Popis
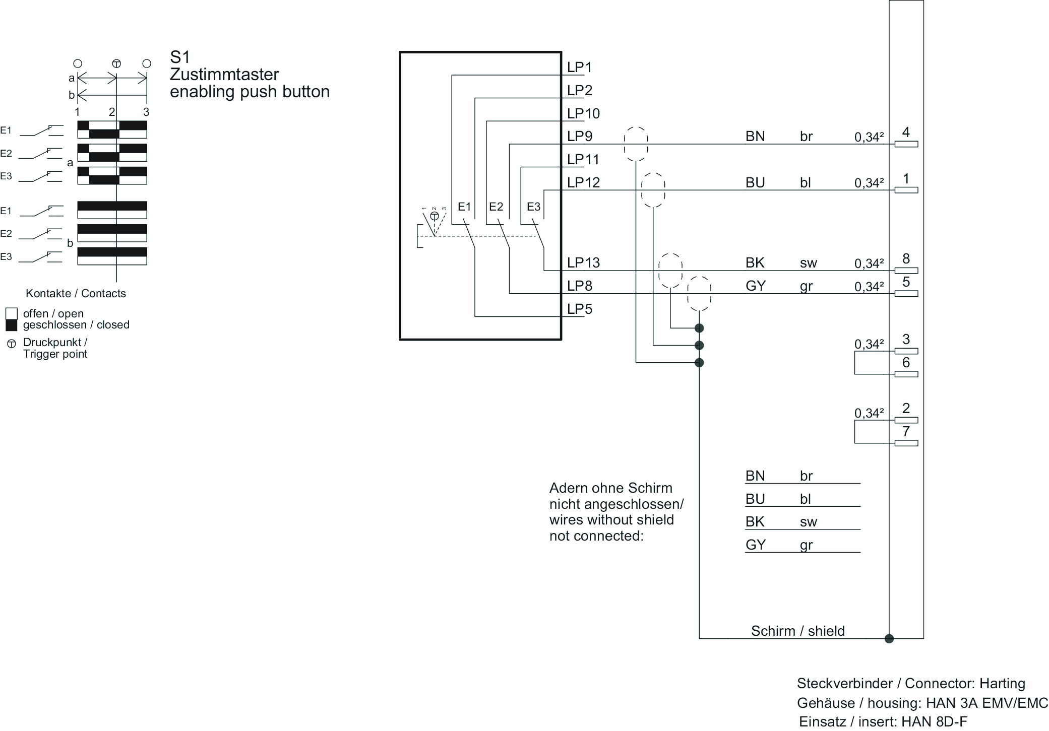
3stupňová funkce
Potvrzovací funkce je aktivní jen na druhém stupni (středová poloha, tlakový bod). Uvolněním nebo stisknutím za tlakový bod (panická funkce) se potvrzovací funkce zruší (v závislosti na zapojení, viz průběh funkcí).
Kabel
Přímý připojovací kabel s konektorem





Rozměrové výkresy

Rozměrové výkresy

| 1 | 8pól. konektor se zásuvkovými kontakty (fa Harting) |
| 2 | Zobrazení pólů – pohled na zásuvnou stranu |
Příklady připojení

Příklady připojení

Příklady připojení

Technické údaje
Schválení


Hodnoty elektrického připojení
| Zajištění | max. 2 A gG |
| Připojovací kabel | 8× 0,34 mm² (4× 0,34 mm² stíněné + 4× 0,34 mm² nestíněné) |
| Podmíněný návrhový zkratový proud | 100 A |
| Návrhové izolační napětí Ui | 50 V |
| Jmenovité impulzní napětí Uimp | 0.5 kV |
| Kategorie použití | |
| DC-13 | 30 V, 0,1 A (Pro potvrzovací tlačítko, varování: Při indukční zátěži musejí být výstupy chráněny nulovou diodou) |
| Spínací charakteristika | 3stupňové potvrzovací tlačítko |
| Stupeň znečištění (externí, podle EN 60947-1) | 3 |
Mechanické hodnoty a prostředí
| Typ připojení | Konektor, počet pólů: 8 (Konektor: zásuvka typu Harting HAN8D) |
| Počet přepínacích kontaktů | 3 (Propojení podle blokového schématu zapojení) |
| Teplota při skladování | -25 ... 70 °C |
| Délka kabelu | |
| Přímý | 15 m |
| Mechanická životnost | 1 x 10⁶ |
| Princip přepínání | Mžikový spínač |
| Třída ochrany | IP54 |
| Okolní teplota | -5 ... 60 °C |
| Materiál | PA, CR, TPE (Nízký obsah PAU) |
Charakteristické hodnoty podle EN ISO 13849-1 a EN IEC 62061
| B10D | Doba provozu | |
|---|---|---|
| Potvrzovací tlačítko | 0.1x106 | 20 y |
Různé
| Splněné normy | 60947-5-8 |
Příslušenství
Ke stažení
Celé balení
Stáhněte si všechny důležité dokumenty jedním kliknutím.
Obsahuje:
- Návod k použití a příp. dodatky k návodu k použití nebo stručné návody
- Příp. datové listy jako dodatek k návodu k použití
- Prohlášení o shodě
Stáhnout kompletní balíček (ZIP, 1,8 MB)
Jednotlivé dokumenty
Pokyny
Operating Instructions Enabling Switch ZSM
Č. dok.
Verze
Jazyk
Velikost
Operating Instructions Enabling Switch ZSM
Č. dok.
2098540
Verze
08-03/26
Jazyk
Velikost
0,5 MB
Mode d’emploi Commande d’assentiment ZSM
Č. dok.
2098540
Verze
08-03/26
Jazyk
Velikost
0,5 MB
Manual de instrucciones Pulsador de validación ZSM
Č. dok.
2098540
Verze
08-03/26
Jazyk
Velikost
0,5 MB
Betriebsanleitung Zustimmtaster ZSM
Č. dok.
2098540
Verze
08-03/26
Jazyk
Velikost
0,5 MB
Manual de instruções Chaves enable ZSM
Č. dok.
2098540
Verze
08-03/26
Jazyk
Velikost
0,5 MB
Istruzioni di impiego Pulsanti di consenso ZSM
Č. dok.
2098540
Verze
08-03/26
Jazyk
Velikost
0,5 MB
Prohlášení o shodě
EU-Konformitätserklärung
Č. dok.
Verze
Jazyk
Velikost
EU-Konformitätserklärung
Č. dok.
EDC2109392
Verze
Jazyk
Velikost
0,2 MB
UKCA-Konformitätserklärung
Č. dok.
Verze
Jazyk
Velikost
UKCA-Konformitätserklärung
Č. dok.
EDC20001579
Verze
Jazyk
Velikost
0,1 MB
Ostatní dokumenty
Schválení a certifikáty
DGUV
Č. dok.
Verze
Jazyk
Velikost
DGUV
Č. dok.
Verze
Jazyk
Velikost
3,2 MB
WEEE
Č. dok.
Verze
Jazyk
Velikost
WEEE
Č. dok.
ECO20001806
Verze
Jazyk
Velikost
0,1 MB
c UL us
Č. dok.
Verze
Jazyk
Velikost
c UL us
Č. dok.
Verze
Jazyk
Velikost
0,2 MB
Makra ePlan
EUC.136371
Č. dok.
Verze
Jazyk
Velikost
EUC.136371
Č. dok.
Verze
Jazyk
Velikost
0,1 MB
CAD/eCAD
Objednací údaje
| Obj. č. | 136371 |
| Název výrobku | ZSM2300-136371 |
| Hmotnost brutto | 1,998kg |
| Číslo celního tarifu | 85371098 |
| ECLASS | 27-37-12-38 Agreement switch |



