BETAETIGERLEISTE SN02X12-AU651 (Obj. č. 126243)
Zvolte obsah
Lišta aktuátoru SN
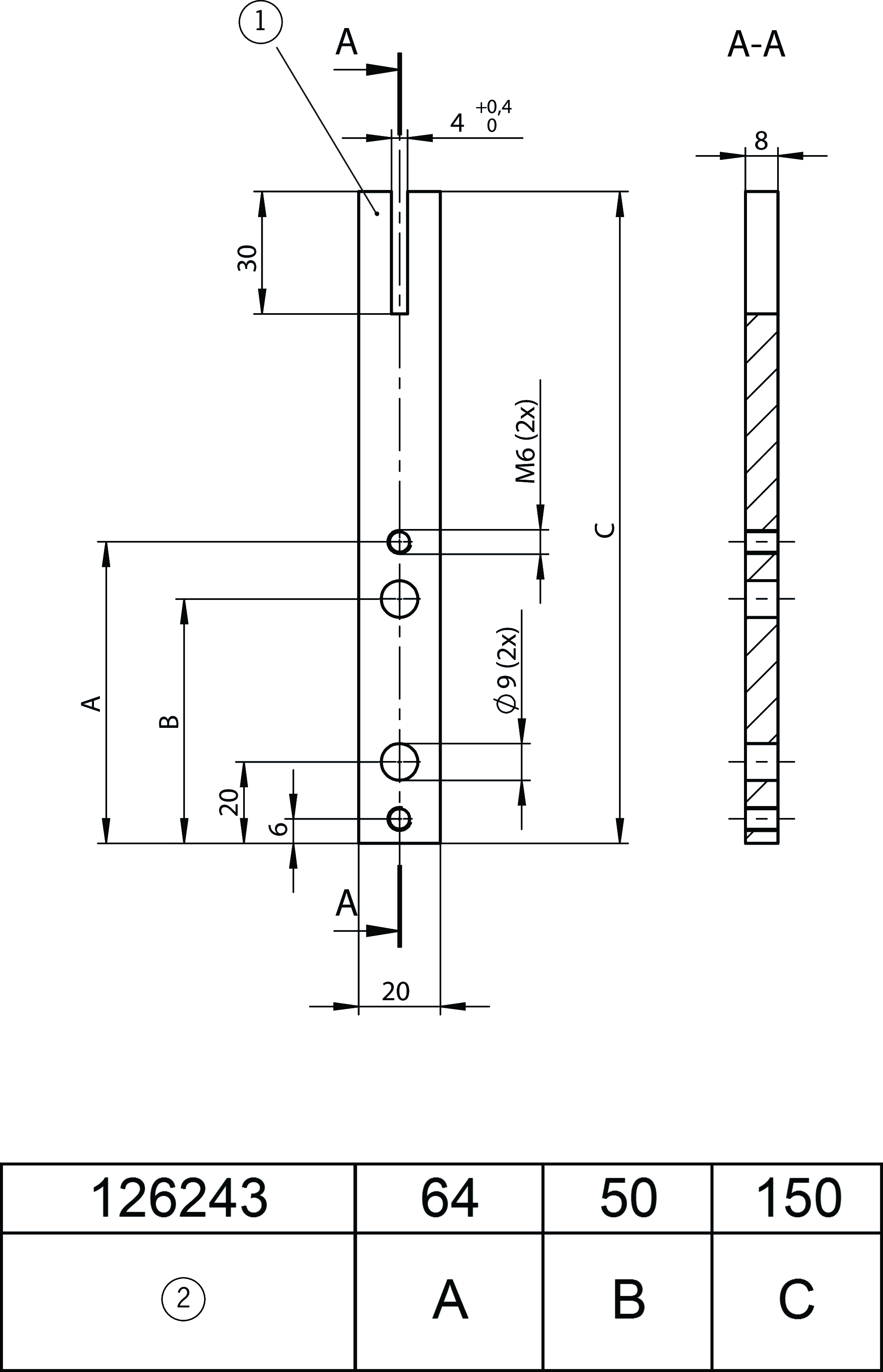
- Lišta aktuátoru SN02X12-AU651: Ocel, č. materiálu 1.0503 (C45) s brunýrovaným povrchem (černým)

Popis

Rozměrové výkresy

| 1 | Lišta aktuátoru SN02X12-AU651: Ocel, č. materiálu 1.0503 (C45) s brunýrovaným povrchem (černým) |
| 2 | Id. č. |
Technické údaje
Mechanické hodnoty a prostředí
| Rozměry | 150x20x8 |
| Teplota při skladování | -25 ... 70 °C |
| Materiál | Ocel, č. materiálu 1.0503 (C45) s brunýrovaným povrchem (černým) |
Různé
| Další informace | |
| Upevňovací otvory | 2× M6 |
| Výřez | 30 × 4 mm |
Objednací údaje
| Obj. č. | 126243 |
| Název výrobku | BETAETIGERLEISTE SN02X12-AU651 |
| Hmotnost brutto | 0,17kg |
| Číslo celního tarifu | 85389099990 |


