AM-B-126230 (Obj. č. 126230)
Zvolte obsah
Montážní úhelník pro aktuátor CEM-C40
- Montážní úhelník pro aktuátor CEM-C40
- Vhodná k montáži na hliníkové profily šířky 30–45 mm

Popis


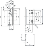
Rozměrové výkresy

Rozměrové výkresy

| 1 | 2 šrouby M5 × 16, z toho jeden bezpečnostní šroub součástí dodávky aktuátoru |
| 2 | K upevnění spínače bezpodmínečně použijte přiložené ozubené podložky, které zajistí vodivé spojení pouzdra s podkladem |
Technické údaje
Mechanické hodnoty a prostředí
| Teplota při skladování | -25 ... 70 °C |
| Materiál | NEREZOVÁ OCEL |
Součásti obsažené v sadě
| Obsažené příslušenství | MONTÁŽNÍ ÚHELNÍK CEM-C40 |
Ke stažení
Celé balení
Stáhněte si všechny důležité dokumenty jedním kliknutím.
Obsahuje:
- Návod k použití a příp. dodatky k návodu k použití nebo stručné návody
- Příp. datové listy jako dodatek k návodu k použití
- Prohlášení o shodě
Stáhnout kompletní balíček (ZIP, 0,2 MB)
Jednotlivé dokumenty
Ostatní dokumenty
Prodejní doklady
Objednací údaje
| Obj. č. | 126230 |
| Název výrobku | AM-B-126230 |
| Hmotnost brutto | 0,24kg |
| Číslo celního tarifu | 85389099990 |
