WKT1234VWZC2430 (Obj. č. 123874)
Zvolte obsah
Konstrukční řada WK...
- Zabudování do ovládacího panelu podle IEC 947-5-1 D30
- Tlačítko se směry ovládání 1–4
- Pájené připojení
- Aretace ve středové poloze
- Ochranná manžeta

Popis





Funkční výkresy

Rozměrové výkresy

Rozměrové výkresy

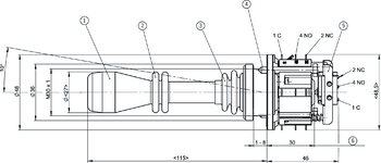
| 1 | Ozdobná rukojeť |
| 2 | Blokování „V“ |
| 3 | Ochranná manžeta „W“ |
| 4 | Upínací šroub (šroub s šestihrannou hlavou) |
| 5 | Spínač středové polohy „Z“ |
| 6 | Bez spínače středové polohy „Z“ |
Příklady připojení

Příklady připojení

Technické údaje
Schválení

Hodnoty elektrického připojení
| Zajištění | T6/F10 |
| Návrhové izolační napětí Ui | 250 V |
| Jmenovité impulzní napětí Uimp | 2.5 kV |
| Kategorie použití | |
| AC-15 | 230 V, 4 A |
| DC-13 | 24 V, 2 A |
| Spínací napětí | min. 10 V |
| Spínací proud | |
| (při 24 V) | min. 12 mA |
Mechanické hodnoty a prostředí
| Typ připojení | Pájené připojení |
| Počet signalizačních kontaktů | 4 + 1 (4 směry a kontakt Z) |
| Směry ovládání | 4 (Tlačítko) |
| Teplota při skladování | -25 ... 70 °C |
| Mechanická životnost | 1 x 10⁶ |
| Spínač středové polohy | 1× přepínací kontakt (V nulové poloze (neaktivováno), spínací kontakt sepnut, rozpínací kontakt rozepnut) |
| Montážní výřez | D30 (EN IEC 60947-5-1) |
| Princip přepínání | Přepínací kontakt C IEC 947-5-1 (Mžikový spínač, konstrukce ES584) |
| Třída ochrany | |
| z čelní strany s manžetou | IP65 |
| Okolní teplota | -5 ... 65 °C |
| Materiál | |
| Kontakt | Slitina stříbra |
| Pouzdro z termoplastu/hliníku | |
| Ovládací páka z oceli odolné proti korozi | |
| Manžeta z černého elastomeru EPDM (Nízký obsah PAU) |
Různé
| Číslo C | |
| C2430 | Prodloužená ovládací páka (115 mm), delší blokování, upínací šroub: šroub s šestihrannou hlavou místo závitového kolíku, spínací jednotka s pájeným připojením, ochranná krytka a manžeta: materiál EPDM s nízkým obsahem PAU, nízkoteplotní tuk |
| Další funkce | |
| Ochranná manžeta | |
| blokování |
Ke stažení
Celé balení
Stáhněte si všechny důležité dokumenty jedním kliknutím.
Obsahuje:
- Návod k použití a příp. dodatky k návodu k použití nebo stručné návody
- Příp. datové listy jako dodatek k návodu k použití
- Prohlášení o shodě
Stáhnout kompletní balíček (ZIP, 0,3 MB)
Jednotlivé dokumenty
Prohlášení o shodě
EU-Konformitätserklärung
Č. dok.
Verze
Jazyk
Velikost
EU-Konformitätserklärung
Č. dok.
Verze
Jazyk
Velikost
0,2 MB
UKCA-Konformitätserklärung
Č. dok.
Verze
Jazyk
Velikost
UKCA-Konformitätserklärung
Č. dok.
EDC20001504
Verze
Jazyk
Velikost
0,1 MB
Ostatní dokumenty
Schválení a certifikáty
CCC
Č. dok.
Verze
Jazyk
Velikost
CCC
Č. dok.
20001753
Verze
Jazyk
Velikost
0,0 MB
WEEE
Č. dok.
Verze
Jazyk
Velikost
WEEE
Č. dok.
ECO20001806
Verze
Jazyk
Velikost
0,1 MB
Objednací údaje
| Obj. č. | 123874 |
| Název výrobku | WKT1234VWZC2430 |
| Hmotnost brutto | 0,25kg |
| Číslo celního tarifu | 85365019000 |
| ECLASS | 27-37-14-04 Control switch, joystick |
