CES-A-BLN-U2-112710 (Obj. č. 112710)
Zvolte obsah
Aktuátor CES-A-BLN-U...
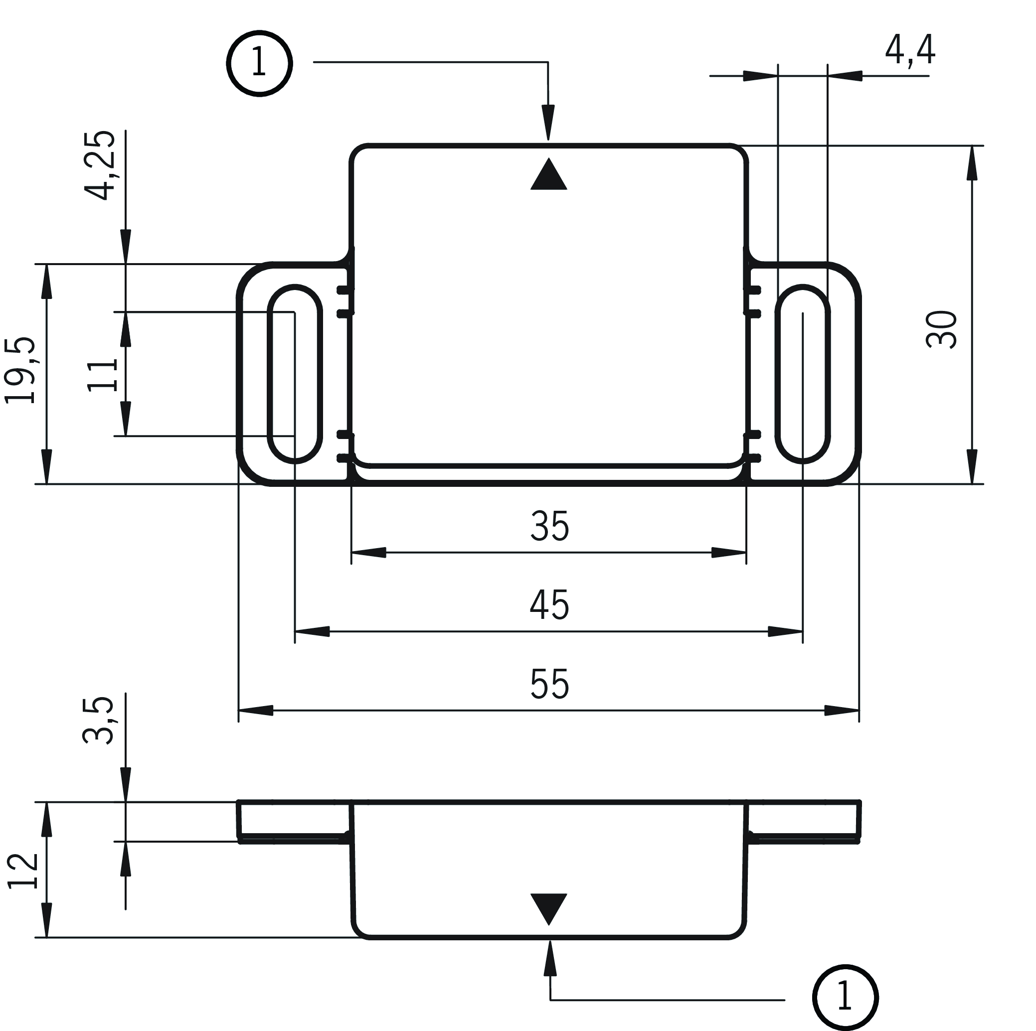
- Tvar kvádru 55 × 30 mm
- Použití nezávisle na tom, na které straně se nacházejí dveřní závěsy

Popis

Rozměrové výkresy

| 1 | Aktivní plocha |
Technické údaje
Schválení

Hodnoty elektrického připojení
| Napájení | Indukční z čtecí hlavy |
Mechanické hodnoty a prostředí
| Utahovací moment | |
| Upevňovací šrouby | max. 0.4 Nm |
| Teplota při skladování | -40 ... 70 °C |
| Třída ochrany | IP67/IP69K |
| Okolní teplota | -40 ... 70 °C |
| Materiál | |
| Pouzdro | Plast (PBT) |
Příslušenství
Ke stažení
Celé balení
Stáhněte si všechny důležité dokumenty jedním kliknutím.
Obsahuje:
- Návod k použití a příp. dodatky k návodu k použití nebo stručné návody
- Příp. datové listy jako dodatek k návodu k použití
- Prohlášení o shodě
Stáhnout kompletní balíček (ZIP, 2,6 MB)
Jednotlivé dokumenty
Prohlášení o shodě
EU-Konformitätserklärung
Č. dok.
Verze
Jazyk
Velikost
EU-Konformitätserklärung
Č. dok.
EDC2109923
Verze
Jazyk
Velikost
2,8 MB
UKCA-Konformitätserklärung
Č. dok.
Verze
Jazyk
Velikost
UKCA-Konformitätserklärung
Č. dok.
EDC20001470
Verze
Jazyk
Velikost
0,2 MB
Ostatní dokumenty
Schválení a certifikáty
WEEE
Č. dok.
Verze
Jazyk
Velikost
WEEE
Č. dok.
ECO20001806
Verze
Jazyk
Velikost
0,1 MB
c UL us
Č. dok.
Verze
Jazyk
Velikost
c UL us
Č. dok.
Verze
Jazyk
Velikost
0,2 MB
Objednací údaje
| Obj. č. | 112710 |
| Název výrobku | CES-A-BLN-U2-112710 |
| Hmotnost brutto | 0,024kg |
| Číslo celního tarifu | 85389099990 |
| ECLASS | 27-27-24-04 Actuator for safety-related proximity switch |
