SGLF3-5000P (Obj. č. 112217)
Zvolte obsah
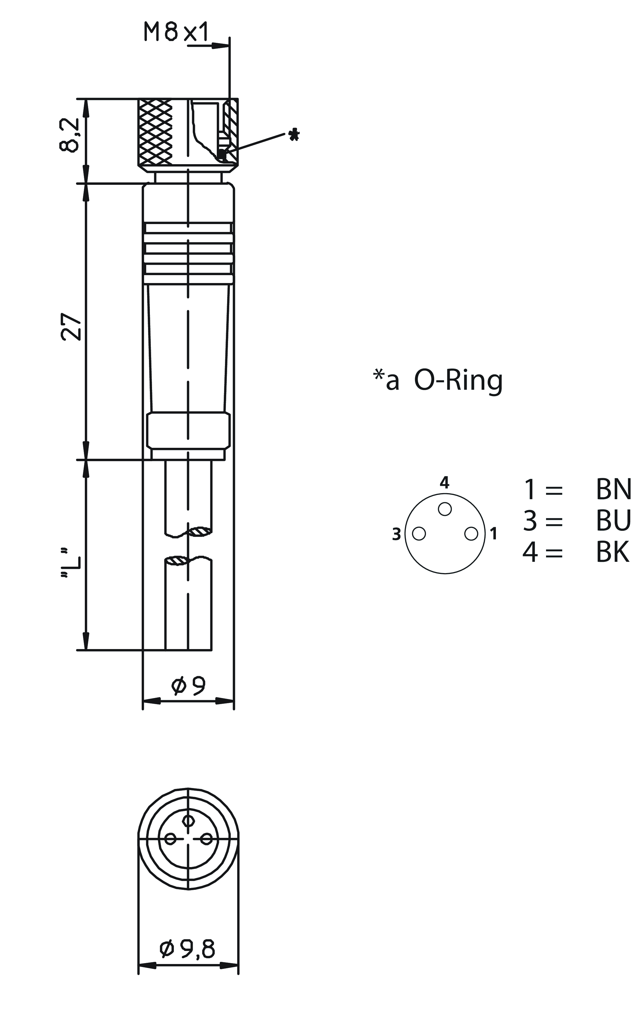
Kabel k připojení akčního členu / senzoru, spojka M8 se samojisticím šroubovacím uzávěrem, 3pól.
- Kabel k připojení akčního členu / senzoru, spojka M8, 3pól.
- Přímý konektor
- Kabel z PUR
- Délka kabelu 5 m
- Kabel s volným koncem

Popis

Rozměrové výkresy

Technické údaje
Hodnoty elektrického připojení
| Návrhové napětí | 63 V |
| Zkušební napětí | 1.5 kV |
| Přípojka 1 | |
| Stupeň znečištění podle EN 60664-1 | 3 |
Mechanické hodnoty a prostředí
| Průřez žíly | 0,34 mm² |
| Počet žil | 3 |
| Poloměr ohybu dynamický | 10× průměr kabelu |
| Poloměr ohybu statický | 5× průměr kabelu |
| Teplota při skladování | -40 ... 80 °C |
| Druh kabelu | Přímý |
| Průměr kabelu | |
| Cca | 4.3 mm |
| Délka kabelu | 5 m |
| Vhodnost pro použití s vlečnými řetězy | Ano |
| Povolený rozsah provozních teplot – kabel (dynamicky) | -25 ... 80 °C |
| Povolený rozsah provozních teplot – kabel (staticky) | -40 ... 80 °C |
| Materiál | |
| Plášť | PUR |
| Přípojka 2 | |
| Konec žíly | Hladce odříznuté |
| Typ připojení | Volný konec kabelu |
| Přípojka 1 | |
| Typ připojení | Konektor M8×1 |
| Typ připojení | Zástrčka s dutinkami |
| Vývod kabelu | Přímý |
| Počet pólů | 3 |
| Třída ochrany | IP67/IP69K (Jen v sešroubovaném stavu s příslušnými protikusy) |
| Zajištění konektoru | Šroubovací uzávěr |
| Materiál | |
| Zajištění konektoru | CuZn |
| Pouzdro konektoru | TPU |
Ke stažení
Celé balení
Stáhněte si všechny důležité dokumenty jedním kliknutím.
Obsahuje:
- Návod k použití a příp. dodatky k návodu k použití nebo stručné návody
- Příp. datové listy jako dodatek k návodu k použití
- Prohlášení o shodě
Stáhnout kompletní balíček (ZIP, 1,1 MB)
Jednotlivé dokumenty
Pokyny
Bezpečnostní informace
Č. dok.
Verze
Jazyk
Velikost
Bezpečnostní informace
Safety information
Information de sécurité
Información de seguridad
Sicherheitsinformation
Informação de segurança
Informazioni sulla sicurezza
Biztonsági információ
Информация за безопасност
Sikkerhedsinformation
Ohutusalane teave
Turvallisuustiedot
Πληροφορία ασφαλείας
Sigurnosne informacije
Informācija par drošību
Saugos informacija
Veiligheidsinformatie
Sikkerhetsinformasjon
Informacje o bezpieczeństwie
Säkerhetsinformation
Varnostne informacije
Bezpečnostné informácie
Güvenlik bilgisi
Informații privind siguranța
Safety information
Information de sécurité
Información de seguridad
Sicherheitsinformation
Informação de segurança
Informazioni sulla sicurezza
Biztonsági információ
Информация за безопасност
Sikkerhedsinformation
Ohutusalane teave
Turvallisuustiedot
Πληροφορία ασφαλείας
Sigurnosne informacije
Informācija par drošību
Saugos informacija
Veiligheidsinformatie
Sikkerhetsinformasjon
Informacje o bezpieczeństwie
Säkerhetsinformation
Varnostne informacije
Bezpečnostné informácie
Güvenlik bilgisi
Informații privind siguranța
Č. dok.
MAN20001593
Verze
01-10/22
Jazyk
Velikost
0,6 MB
Sicherheitsinformation
Č. dok.
MAN20001593
Verze
01-10/22
Jazyk
Velikost
0,2 MB
Prohlášení o shodě
EU-Konformitätserklärung
Č. dok.
Verze
Jazyk
Velikost
EU-Konformitätserklärung
Č. dok.
EDC20001578
Verze
Jazyk
Velikost
0,2 MB
Ostatní dokumenty
Schválení a certifikáty
WEEE
Č. dok.
Verze
Jazyk
Velikost
WEEE
Č. dok.
ECO20001806
Verze
Jazyk
Velikost
0,1 MB
Objednací údaje
| Obj. č. | 112217 |
| Název výrobku | SGLF3-5000P |
| Hmotnost brutto | 0,15kg |
| Číslo celního tarifu | 85444290900 |
