ZSA2B4G10CC1861 (Obj. č. 098064)
Zvolte obsah
ZSA, 3stupňové s kabelem a konektorem RC12
- Pouzdro G1
- 3stupňová funkce
- Přímý připojovací kabel s konektorem RC12

Popis
Spínací jednotka
2220 | 2 NO/NC |
3stupňová funkce
Potvrzovací funkce je aktivní jen na druhém stupni (středová poloha, tlakový bod). Uvolněním nebo stisknutím za tlakový bod (panická funkce) se potvrzovací funkce zruší (v závislosti na zapojení, viz průběh funkcí).




Rozměrové výkresy

Rozměrové výkresy

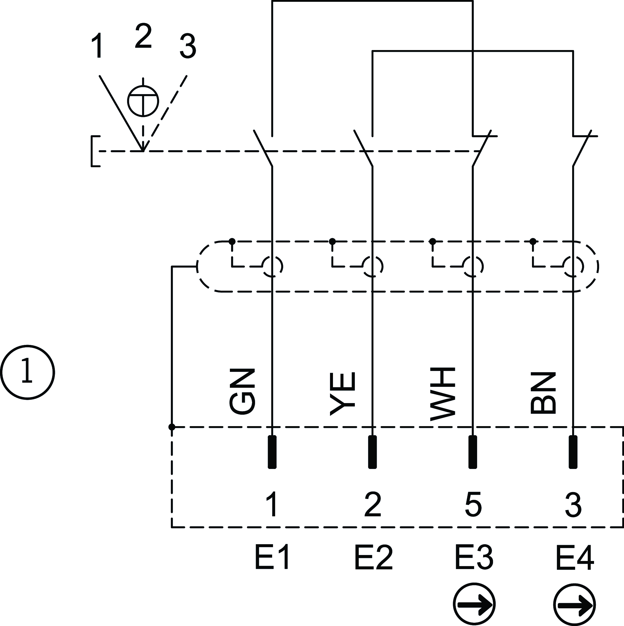
Příklady připojení

| Vnější stínění na pouzdře konektoru |
Diagramy směnových jízd

![]() | zavř., potvrzení |
![]() | zavř. |
![]() | otevř. |
Technické údaje
Schválení



Hodnoty elektrického připojení
| Zajištění | max. 2 A gG |
| Připojovací kabel | 8× 0,5 mm² + 8× 0,14 mm² (4× 0,5 mm² stíněné + 4× 0,5 mm² nestíněné + 8× 0,14 mm² nestíněné. Vnější stínění přes všechny vodiče.) |
| Podmíněný návrhový zkratový proud | 100 A |
| Návrhové izolační napětí Ui | 32 V |
| Jmenovité impulzní napětí Uimp | 0.8 kV |
| Kategorie použití | |
| AC-15 | 2 A 24 V |
| DC-13 | 2 A 24 V |
| Spínací napětí | |
| Min. při 10 mA | 12 V |
| Spínací proud | |
| Min. při 24 V | 1 mA |
| Spínací charakteristika | 3stupňové potvrzovací tlačítko |
| Stupeň znečištění (externí, podle EN 60947-1) | 3 |
Mechanické hodnoty a prostředí
| Typ připojení | Konektor, počet pólů: 12 |
| Počet spínacích kontaktů | 2 |
| Počet nuceně rozpínaných kontaktů | 2 |
| Teplota při skladování | -25 ... 70 °C |
| Délka kabelu | |
| Přímý | 10 m |
| Mechanická životnost | |
| Poloha 1-2-1 | 0.1 x 10⁶ |
| Poloha 1-2-3-1 | 0.1 x 10⁶ |
| Princip přepínání | Pomalý spínač |
| Třída ochrany | IP67 |
| Okolní teplota | -5 ... 50 °C |
| Materiál | Plast |
Charakteristické hodnoty podle EN ISO 13849-1 a EN IEC 62061
| B10D | Doba provozu | |
|---|---|---|
| Potvrzovací tlačítko | 0.39x106 | 20 y |
Různé
| Splněné normy | 60947-5-8 |
Příslušenství
Ke stažení
Celé balení
Stáhněte si všechny důležité dokumenty jedním kliknutím.
Obsahuje:
- Návod k použití a příp. dodatky k návodu k použití nebo stručné návody
- Příp. datové listy jako dodatek k návodu k použití
- Prohlášení o shodě
Stáhnout kompletní balíček (ZIP, 1,9 MB)
Jednotlivé dokumenty
Pokyny
Operating Instructions Enabling Switch ZSA/ZSR
Č. dok.
Verze
Jazyk
Velikost
Operating Instructions Enabling Switch ZSA/ZSR
Č. dok.
2092781
Verze
07-11/25
Jazyk
Velikost
0,6 MB
Mode d’emploi Commande d’assentiment ZSA/ZSR
Č. dok.
2092781
Verze
07-11/25
Jazyk
Velikost
0,6 MB
Manual de instrucciones Pulsador de validación ZSA/ZSR
Č. dok.
2092781
Verze
07-11/25
Jazyk
Velikost
0,6 MB
Betriebsanleitung Zustimmtaster ZSA/ZSR
Č. dok.
2092781
Verze
07-11/25
Jazyk
Velikost
0,6 MB
Istruzioni di impiego Pulsanti di consenso ZSA/ZSR
Č. dok.
2092781
Verze
07-11/25
Jazyk
Velikost
0,6 MB
Prohlášení o shodě
EU-Konformitätserklärung
Č. dok.
Verze
Jazyk
Velikost
EU-Konformitätserklärung
Č. dok.
EDC2109392
Verze
Jazyk
Velikost
0,2 MB
UKCA-Konformitätserklärung
Č. dok.
Verze
Jazyk
Velikost
UKCA-Konformitätserklärung
Č. dok.
EDC20001579
Verze
Jazyk
Velikost
0,1 MB
Ostatní dokumenty
Prodejní doklady
Commandes d’Assentiment ZS
Č. dok.
Verze
Jazyk
Velikost
Commandes d’Assentiment ZS
Č. dok.
097367
Verze
09-02/21
Jazyk
Velikost
10,2 MB
Enabling switches ZS
Č. dok.
Verze
Jazyk
Velikost
Enabling switches ZS
Č. dok.
095690
Verze
09-02/21
Jazyk
Velikost
10,1 MB
Zustimmtaster ZS
Č. dok.
Verze
Jazyk
Velikost
Zustimmtaster ZS
Č. dok.
095689
Verze
09-02/21
Jazyk
Velikost
10,2 MB
Schválení a certifikáty
CCC
Č. dok.
Verze
Jazyk
Velikost
CCC
Č. dok.
20001849
Verze
Jazyk
Velikost
0,0 MB
DGUV
Č. dok.
Verze
Jazyk
Velikost
DGUV
Č. dok.
Verze
Jazyk
Velikost
3,4 MB
WEEE
Č. dok.
Verze
Jazyk
Velikost
WEEE
Č. dok.
ECO20001806
Verze
Jazyk
Velikost
0,1 MB
c UL us
Č. dok.
Verze
Jazyk
Velikost
c UL us
Č. dok.
Verze
Jazyk
Velikost
0,2 MB
Makra ePlan
EUC.098064
Č. dok.
Verze
Jazyk
Velikost
EUC.098064
Č. dok.
Verze
Jazyk
Velikost
0,1 MB
Objednací údaje
| Obj. č. | 098064 |
| Název výrobku | ZSA2B4G10CC1861 |
| Hmotnost brutto | 2,008kg |
| Číslo celního tarifu | 85365019000 |
| ECLASS | 27-37-12-38 Agreement switch |





