CIS3P35X16SH16YVNOU (Obj. č. 095950)
Zvolte obsah
Nosič dat CIS3 svislý
- Tvar kvádru 35 × 16 mm
- Nenaprogramovaný

Popis
Pokyny k montáži
Při montáži čtecí hlavy a nosiče dat dejte pozor, abyste dodrželi směr přejezdu dle směru šipky na aktivní ploše čtecí hlavy, resp. zapisovací/čtecí hlavy.

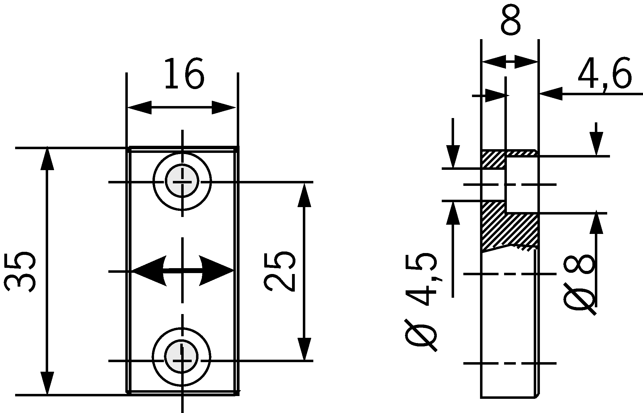
Rozměrové výkresy

Technické údaje
Hodnoty elektrického připojení
| Počet čtecích cyklů | Neomezený |
| Počet zapisovacích cyklů | max. 100000 |
| Doba uchování dat | max. 10 y Při +50 °C |
| Napájení | Indukční z čtecí hlavy |
| Kapacita paměti | 16 Byte Zápis/čtení (kapacita paměti 128 bitů nebo 32 čísel) (Paměť nosiče dat pro zápis/čtení je organizována takto: Zápis – možný jen po 2bajtových blocích; čtení: možné po bajtech) |
Mechanické hodnoty a prostředí
| Teplota při skladování | -40 ... 85 °C |
| Způsob montáže | Šrouby, nelícující |
| Třída ochrany | IP67 |
| Okolní teplota | -40 ... 85 °C |
| Materiál | |
| Pouzdro | Plast PPS |
| Princip činnosti | Pracovní frekvence 125 kHz |
Ke stažení
Celé balení
Stáhněte si všechny důležité dokumenty jedním kliknutím.
Obsahuje:
- Návod k použití a příp. dodatky k návodu k použití nebo stručné návody
- Příp. datové listy jako dodatek k návodu k použití
- Prohlášení o shodě
Stáhnout kompletní balíček (ZIP, 1,6 MB)
Jednotlivé dokumenty
Prohlášení o shodě
EU-Konformitätserklärung
Č. dok.
Verze
Jazyk
Velikost
EU-Konformitätserklärung
Č. dok.
EDC2077155
Verze
Jazyk
Velikost
0,2 MB
UKCA-Konformitätserklärung
Č. dok.
Verze
Jazyk
Velikost
UKCA-Konformitätserklärung
Č. dok.
EDC20001517
Verze
Jazyk
Velikost
0,1 MB
Ostatní dokumenty
Schválení a certifikáty
WEEE
Č. dok.
Verze
Jazyk
Velikost
WEEE
Č. dok.
ECO20001806
Verze
Jazyk
Velikost
0,1 MB
CAD/eCAD
Objednací údaje
| Obj. č. | 095950 |
| Název výrobku | CIS3P35X16SH16YVNOU |
| Hmotnost brutto | 0,005kg |
| Číslo celního tarifu | 85389099990 |
| ECLASS | 27-28-04-02 Identification, RFID Transponder |

