SPIRALLEITUNG 23-ADRIG 5,4M (Obj. č. 087409)
Zvolte obsah
Připojovací kabel pro ruční ovladače HBA/HBM/HBL/ZSM, spirálový
- Kabel z PUR, spirálový
- Délka kabelu 5,4 m
- Kabel s volnými konci
- 23 žil, hladce odříznuté
Popis


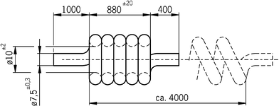
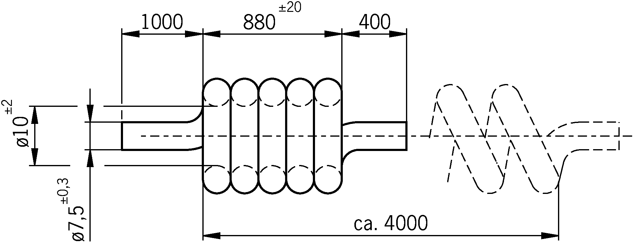
Rozměrové výkresy

| Délka kabelu 5,4 m |
Příklady připojení

Technické údaje
Hodnoty elektrického připojení
| Stínění kabelu | Ano (Měděné ovinutí, optické pokrytí cca 90 %) |
| Specifický odpor vodiče | max. 145 Ω/km |
Mechanické hodnoty a prostředí
| Označení žíly | Barevný kód DIN 47100 |
| Průřez žíly | 0.14 mm² |
| Počet žil | 23 |
| Poloměr ohybu dynamický | 15× průměr kabelu |
| Poloměr ohybu statický | 10× průměr kabelu |
| Teplota při skladování | -40 ... 80 °C |
| Druh kabelu | Spirálový |
| Průměr kabelu | 7.5 mm -0,3 ... +0,3 mm |
| Délka kabelu | 5.4 m (Natažený) |
| Barva pláště | Černá, matná |
| Povolený rozsah provozních teplot – kabel (dynamicky) | -10 ... 70 °C |
| Povolený rozsah provozních teplot – kabel (staticky) | -40 ... 80 °C |
| Materiál | |
| Plášť | PUR |
| Přípojka 1, 2 | |
| Konec žíly | Hladce odříznuté |
| Typ připojení | Volný konec kabelu |
Ke stažení
Prodejní doklady
Commandes d’Assentiment ZS
Č. dok.
Verze
Jazyk
Velikost
Commandes d’Assentiment ZS
Č. dok.
097367
Verze
09-02/21
Jazyk
Velikost
10,2 MB
Enabling switches ZS
Č. dok.
Verze
Jazyk
Velikost
Enabling switches ZS
Č. dok.
095690
Verze
09-02/21
Jazyk
Velikost
10,1 MB
Zustimmtaster ZS
Č. dok.
Verze
Jazyk
Velikost
Zustimmtaster ZS
Č. dok.
095689
Verze
09-02/21
Jazyk
Velikost
10,2 MB
Objednací údaje
| Obj. č. | 087409 |
| Název výrobku | SPIRALLEITUNG 23-ADRIG 5,4M |
| Hmotnost brutto | 0,675kg |
| Číslo celního tarifu | 85389099990 |
| ECLASS | 27-06-03-04 Appliance cord (data cable) |
