RIEGEL NM (Obj. č. 077233)
Petlice pro bezpečnostní spínač NM
- Petlice pro bezpečnostní spínač NM
- Ocelová petlice
- Pro dveře se závěsy nalevo nebo napravo
- Aretace pomocí pružiny v otevřené poloze
- Aktuátor je součástí dodávky
- Vhodné pro mezeru mezi dveřmi a rámem cca 10 mm

Popis
Rozsah dodávky
- Části petlice
- Aktuátor
- Konzola spínače
Objednávejte zvlášť:
- Bezpečnostní spínač
Aretace v otevřené poloze
Cílem aretace v otevřené poloze je zamezit uzavření osob uvnitř stroje.
Typy dveří a dveřní doraz
Vhodná pro dveře na pantech a posuvné dveře
Vhodná pro dveře se závěsy nalevo i napravo
S dveřním dorazem, dveře nelze otevírat dovnitř.
Integrovaný zajišťovací mechanismus
Integrovaný zajišťovací mechanismus umožňuje zajistit petlici například pomocí zámků v otevřené poloze. Tím lze zamezit nechtěnému uzavření osob v nebezpečném prostoru.

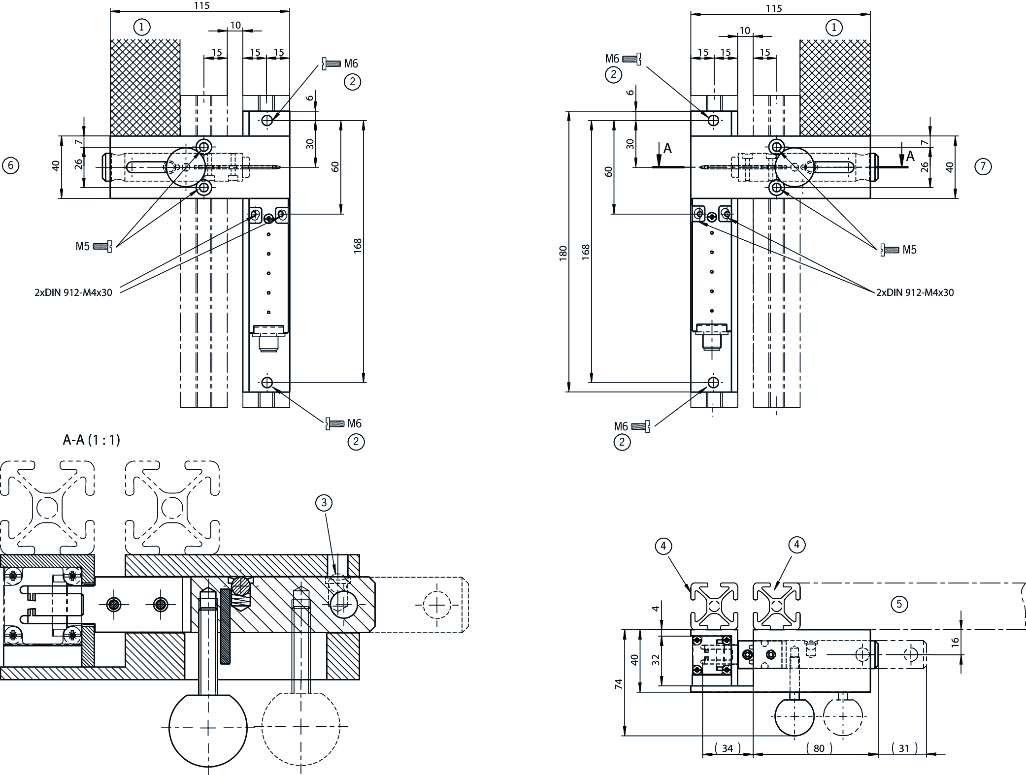
Rozměrové výkresy

| 1 | Ochranná mříž |
| 2 | Vhodný také pro šroub M5 |
| 3 | V otevřené poloze je petlice aretována |
| 4 | Rám ochranné mříže z hliníkových profilů |
| 5 | Dveře se závěsy napravo |
| 6 | Směr nájezdu C |
| 7 | Směr nájezdu A |
Technické údaje
Mechanické hodnoty a prostředí
| Směr nájezdu | A nebo C |
| Počet instalovatelných bezpečnostních spínačů | 1 |
| Únikový odjišťovací prvek | Žádné |
| Teplota při skladování | -25 ... 70 °C |
| Materiál | |
| Rukojeť | Plast |
| Základová deska | Ocel s práškovým nástřikem |
| Konzola spínače | Zinkovaná ocel |
Různé
| Aretace v otevřené poloze | Kulový aretační mechanismus |
Příslušenství
Ke stažení
Celé balení
Stáhněte si všechny důležité dokumenty jedním kliknutím.
Obsahuje:
- Návod k použití a příp. dodatky k návodu k použití nebo stručné návody
- Příp. datové listy jako dodatek k návodu k použití
- Prohlášení o shodě
Jednotlivé dokumenty
Information de sécurité pour verrous-targettes
Información de seguridad para cerrojos
Sicherheitsinformation für Riegel
Ostatní dokumenty
CAD/eCAD
Objednací údaje
| Obj. č. | 077233 |
| Název výrobku | RIEGEL NM |
| Hmotnost brutto | 0,684kg |
| Číslo celního tarifu | 83014090000 |

