BETAETIGER-M-G (Obj. č. 074076)
Zvolte obsah
Aktuátor pro bezpečnostní spínač NM.VZ
- Aktuátor z nerezové oceli
- Každý aktuátor má dva nerezové bezpečnostní šrouby

Popis
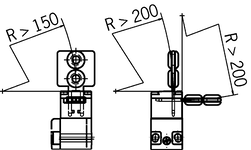
Aktuátor přímý
Přímý aktuátor se používá u posuvných dveří nebo u dveří na pantech, jejichž poloměr je větší než 150 mm. Odšroubování bezpečnostních prvků zamezují bezpečnostní šrouby.
Šrouby z nerezové oceli
Přiložené bezpečnostní šrouby lze zašroubovat běžnými nástroji, nelze je však znovu vyšroubovat.


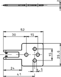
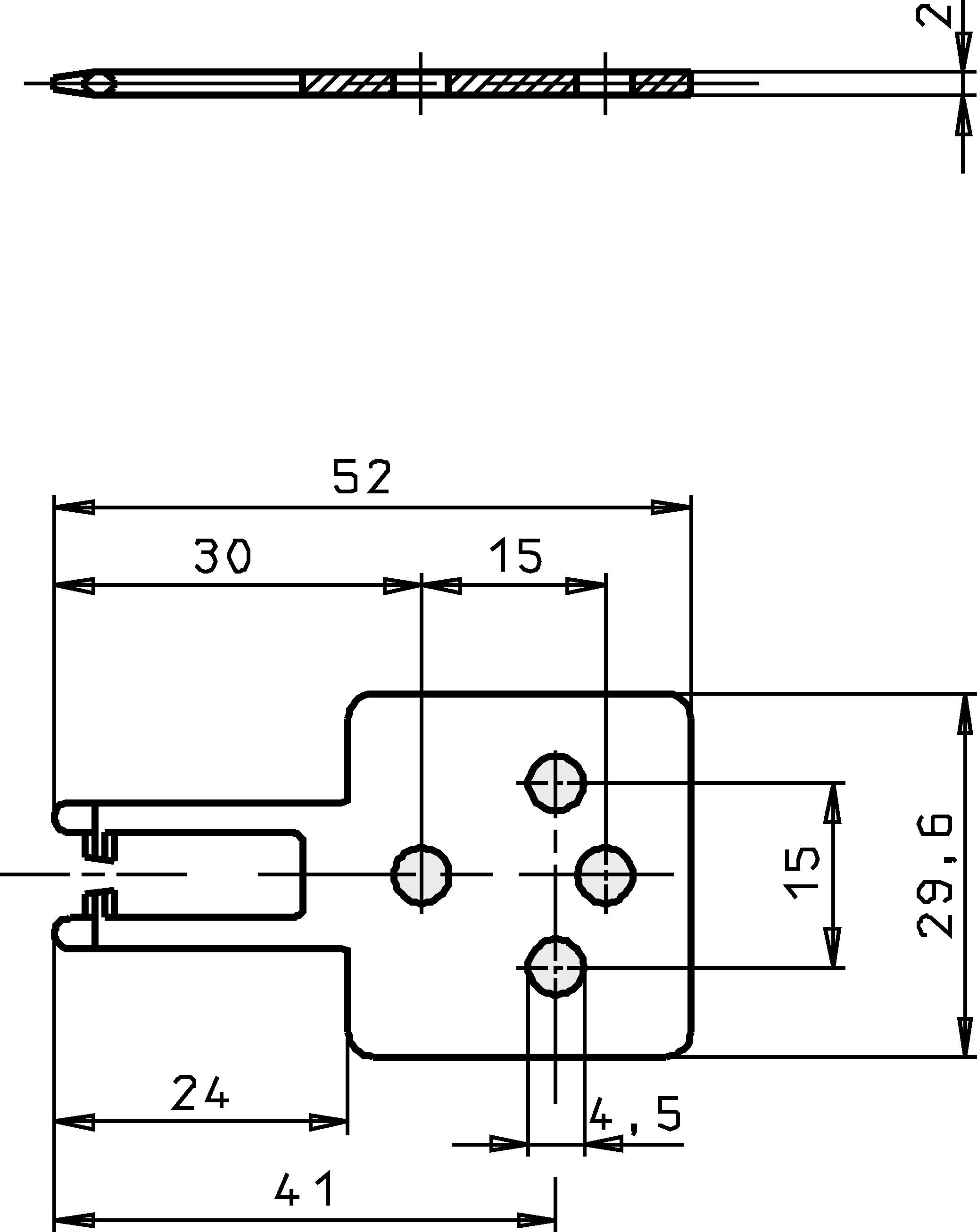
Rozměrové výkresy

Rozměrové výkresy

Technické údaje
Mechanické hodnoty a prostředí
| Teplota při skladování | -25 ... 70 °C |
| Volný chod | max. 4 mm |
| Poloměr dveří | min. 150 mm |
| Materiál | |
| Šroub | Nerezová ocel |
| Aktuátor | Nerezová ocel |
Různé
| Použitelnost zaváděcího trychtýře | Ano |
Příslušenství
Ke stažení
Celé balení
Stáhněte si všechny důležité dokumenty jedním kliknutím.
Obsahuje:
- Návod k použití a příp. dodatky k návodu k použití nebo stručné návody
- Příp. datové listy jako dodatek k návodu k použití
- Prohlášení o shodě
Stáhnout kompletní balíček (ZIP, 0,5 MB)
Jednotlivé dokumenty
Ostatní dokumenty
Prodejní doklady
Bezpečnostní spínače s plastovým pouzdrem
Č. dok.
Verze
Jazyk
Velikost
Bezpečnostní spínače s plastovým pouzdrem
Č. dok.
121649
Verze
11-03/18
Jazyk
Velikost
6,5 MB
Safety Switches with Plastic Housing
Č. dok.
096956
Verze
11-03/18
Jazyk
Velikost
6,5 MB
Interrupteurs de sécurité avec boîtier plastique
Č. dok.
100677
Verze
11-03/18
Jazyk
Velikost
6,6 MB
Interruptores de seguridad con carcasa plástica
Č. dok.
104855
Verze
11-03/18
Jazyk
Velikost
6,6 MB
Sicherheitsschalter mit Kunststoffgehäuse
Č. dok.
096955
Verze
11-03/18
Jazyk
Velikost
6,6 MB
塑料壳体 的安全开关
Č. dok.
116243
Verze
11-03/18
Jazyk
Velikost
6,1 MB
CAD/eCAD
Objednací údaje
| Obj. č. | 074076 |
| Název výrobku | BETAETIGER-M-G |
| Hmotnost brutto | 0,022kg |
| Číslo celního tarifu | 85389099990 |
| ECLASS | 27-27-26-06 Actuator for safety-related position switch |

